Grip-Engineering


info@grip.de

EN Fixtures

Back

 

EN71-1
DIN EN71-1

Safety of toys - Part 1: Mechanical and physical properties. (Tensile test).

TH124-20

EN149

Respiratory protective devices, filtering half masks to protect against particles

TH240k-S20 + THS231-5-159

EN178

DIN EN ISO178

Plastics — Determination of flexural properties

TH103-B220-CR5-oFR5

TH103-3P-B220-AR2-5-oFR5-cgr

TH103-3P-B220-AR3-5-oFR5-ok

TH103-3P-B220-CR5-oFR5-cgr

TH22

TH238

EN196-1

Methods of testing cement - Part 1: Determination of strength.

TH103-200-CWEX10-OWEX10

EN302-3
DIN EN302-3

Adhesives for load-bearing timber structures - Test methods - Part 3: Determination of the effect of acid damage to wood fibres by temperature and humidity cycling on the transverse tensile strength

THS474-29-76-60-R12.5

EN306
DIN EN ISO306

Plastics - Thermoplastic materials - Determination of Vicat softening
temperature (VST)

THS265

EN310

DIN EN310

Wood-based panels; determination of modulus of elasticity in bending and of bending strength

THS930-20

TH22-3P-360-CX15-OX30 + ITH1

TH22-800-XO15x350-CXU15x350

EN311
DIN EN311

Wood-based panels - Surface soundness - Test method

THS325-1

EN314-1
DIN EN314-1

Plywood – bonding quality: part 1: test methods

THS1112-EN314-1

EN319

DIN EN319

Particleboards and fibreboards; determination of tensile strength perpendicular to the plane of the board

TH16

EN320
DIN EN320

Particleboards and fibreboards - Determination of resistance to axial withdrawal of screws

THS325-1

THS325-2

EN388

DIN EN388

Protective gloves against mechanidal risks

THS174-D20-F1V30-W130

THS1143-20

EN392
DIN EN392

Glued laminated timber - Shear test glue lines

TH17

EN408

DIN EN408

Timber structures - Structural timber and glued laminated timber -
Determination of some physical and mechanical properties

THS139-4P-2000-CX30x100-H200

TH22-4P-800-CWX30x300-Af318

EN409

Timber structures - Test methods - Determination of the yield moment of dowel type fasteners

TH238

EN432

Resilient floor coverings - Determination of shear force

TH240g+SG+BP30x50 + pl50x100x5

EN433
DIN EN433

Resilient floor coverings - Determination of residual indentation after static loading

TH23-11.28-Af159-ST

EN448

District heating pipes - Bonded single pipe systems for directly buried hot water networks - Factory made fitting assemblies of steel service pipes, polyurethane thermal insulation and a casing of polyethylene

THS260-100-D50+OR2-4-6-6.25-8-12.5

EN455
DIN EN455

Medical Gloves for Single-Use

TH227

EN455-2

Medical Gloves for Single-Use

THS265-CHB3x33

EN488
DIN EN488

District heating pipes. Preinsulated bonded pipe systems for directly buried hot water networks.

THS260-150-500-D50-ORxx-Af6030

EN490

Concrete roofing tiles and fittings for roof covering and wall cladding - Product specifications

TH22-360-CWX20x450

EN491

Concrete roofing tiles and fittings for roof covering and wall cladding - Test methods

TH22-360-CWX20x450

EN514

Plastics - Poly(vinyl chloride) (PVC) based profiles - Determination of the strength of welded corners and T-joints

THS349-20-W160 (Fig. 1, 2)

THS349-30-W160 (Fig. 3)

EN520
DIN EN520

Gypsum plasterboards - Definitions, requirements and test methods.

TH22-500-CWER5x300-oWER5x300

TH22-3P/4P-500-CWER3.2x305

EN527-2

DIN EN ISO527-2

Plastics -- Determination of tensile properties -- Part 2: Test conditions for moulding and extrusion plastics

THS265-CW10x60

THS265-CHB10x60 (Type 1B)

THS265-CHB10x80 (Type 1A)

THS265-CHB4x25 (Type 5A)

THS265-CHB5x30 (
Type 1BA)

THS265-CHB2x12-4x30 (Type 1BB)

THS265-CHB2x12-6x35 (Type 5B)

THS474-10-H10-R25

THS1390-ISO527-2-Type1A

EN527-3

DIN EN ISO527-3

Plastics — Determination of tensile properties — Part 3: Test conditions for films and sheets

THS265-CHB6x33 (Type 5)

THS265-CHB10x60 (Type 1B)

THS265-CHB25.4x50 (Type 4)

THS265-CHR15x150 (Type 3)

THS265-CWR25x150 
(Type 2)

 THS265-CWB25.4x50 
(Type 4)

THS474-10-R60

EN582
DIN EN582

Thermal spraying; determination of tensile adhesive strength

THS625

EN604
DIN EN ISO604

Plastics - Determination of compressive properties

TH23-56

THS1390-ISO604-Type B

EN789
DIN EN789

Timber structures - Test methods - Determination of mechanical properties of wood based panels

THS1451

THS674

EN813

DIN ISO813

Determination of adhesion to a rigid substrate - 90 degree peel method

TH95-3

 

TH95-4

EN826

DIN EN826

Thermal insulating products for building applications - Determination of compression behaviour

TH36-400-L6x20

THS223k+TH36-100-oZR-Am317-AL

EN843-1-1

DIN EN843-1-1

Advanced technical ceramics - Mechanical properties of monolithic ceramics at room temperature - Part 1: Determination of flexural strength 

TH238-3P/4P-ASTM-C1161-Af159

EN844
DIN EN ISO844

Rigid cellular plastics —Determination of compression properties

TH23-156-St + THS223g-156

EN863

DIN EN863

Protective clothing - Mechanical properties - Test method: Puncture resistance

THS174-D20-F1V30-W130

EN868-5
DIN EN868-5

Packaging for terminally sterilized medical devices - Part 5: Sealable pouches and reels of porous materials and plastic film construction

THS1217-V41 + TH240k-Ko+BP30

EN892

Mountaineering equipment - Dynamic mountaineering ropes - Safety requirements and test methods

THS2105

EN898-1
DIN EN ISO898-1

Mechanical properties of fasteners made of carbon steel and alloy steel - Part 1: Bolts, screws and studs with specified property classes -- Coarse thread and fine pitch thread

THS659-1000

THS786

EN898-2
DIN EN ISO898-2

Mechanical properties of fasteners made of carbon steel and alloy steel — Part 2: Nuts with specified property classes — Coarse thread and fine pitch thread

THS786-70 (tensile test)

THS659 (tensile test)

THS910 (compression test)

EN993-6

Methods of test for (dense) shaped refractory products - Part 6: Determination of modulus of rupture at ambient temperature

TH22ST-360-CWX30x120

EN1015-11

Methods of test for mortar for masonry - Part 11: Determination of flexural and compressive strength of hardened mortar

THS223k-40x40 + TH23-40x40 (compression test) 

 TH103-B200-CWEX10-oWGT10
(flexure test) 

 THS1390-40x160
(sample preparation)

EN1062-7

Paints and varnishes - Coating materials and coating systems for exterior masonry and concrete - Part 7: Determination of crack bridging properties

TH103-220-AX10s-ORxx

EN1170-4

DIN EN1170-4

Precast concrete products - Test method for glass-fibre reinforced cement - Part 4: Measuring bending strength; "simplified bending test" method

TH103-4P-330-CWEX10-EN1170-4

EN1170-5

Precast concrete products. Test method for glass-fibre reinforced cement Measuring bending strength, "complete bending test" method

TH103-4P-330-CWX10-EN1170-5

EN1186-1

Materials and articles in contact with foodstuffs - Plastics - Part 1: Guide to the selection of conditions and test methods for overall migration

THS2041-A4

EN1186-5

Materials and articles in contact with foodstuffs - Plastics - Part 5: Test methods for overall migration into aqueous food simulants by cell

THS2041-A4

EN1279-4
DIN EN1279-4

Glass in building - Insulating glass units - Part 4: Methods of test for the physical attributes of edge seal components and inserts

THS504

EN1288-3
DIN EN1288-3

Glass in building - Determination of the bending strength of glass - Part 3: Test with specimen supported at two points (four point bending)

THS124-V2

 
THS124-V2-1100

EN1288-5
DIN EN1288-5

Glass in building - Determination of the bending strength of glass - Part 5: Coaxial double ring test on flat specimens with small test surface areas

THS747-EN1288-5

EN1293
DIN EN1293

General requirements for components used in pneumatically pressurized discharge pipes, drains and sewers

THS828-100-4P-30x160

EN1324
DIN EN1324

Adhesives for tiles - Determination of shear adhesion strength of dispersion adhesives

THS450

THS534

EN1338

Concrete paving blocks - Requirements and test methods

TH23-100-spR75

EN1348

DIN EN1348

Adhesives for tiles - Determination of tensile adhesion strength for cementitious adhesives

TH36-50

THS1254-3x6N

THS608-2P-108x108-B240

EN1372

DIN EN1372

Test method for adhesives for floor and wall coverings - Peel test

TH192-D20-A26-W57-H38

EN1382

Timber structures - Test methods - Withdrawal capacity of timber fasteners

Nail extract test -  to find out pull off force of a nail from wood

Holzbauwerke - Prüfverfahren - Ausziehtragfähigkeit von Holzverbindungsmitteln
Nagelauszugstest prüft die Auszugskraft eines Nagels  aus einem Holbalken

TH235-P150x150-S10-Af159-H200

EN1383

Timber structures - Test methods - Pull through resistance of timber fasteners

THS235-88-200

EN1400
DIN EN1400

Child use and care articles - Soothers for babies and young children - Safety requirements and test methods (includes Amendment :2018)

THS1088 + TH230

THS1088-60 (Pacifier Test Fixture)

EN1464

DIN EN1464

Adhesives - Determination of peel resistance of adhesive bonds - Floating roller method

TH105-D25-B30

TH105-D30-W45-Af20

EN1465
DIN EN1465

Adhesives - Determination of tensile lap-shear strength of bonded assemblies

TH11-5

TH256

EN1542

Products and systems for the protection and repair of concrete structures - Test methods - Measurement of bond strength by pull-off

THS1254-V3-300x300

EN1561

Founding - Grey cast irons

TH179-60-Emxx

THS459-Q25x40
(wedge penetration test)

EN1607

DIN EN1607

Thermal insulating products for building applications - Determination of tensile strength perpendicular to faces

TH113

TH16

EN1608

DIN EN1608

Thermal insulating products for building applications - Determination of tensile strength parallel to faces

THS170-500-S200

EN1719
DIN EN1719

Adhesives for paper and board, packaging and disposable sanitary products - Tack measurement for pressure sensitive adhesives - Determination of loop tack

THS864-10

EN1806

DIN EN ISO1806

Fishing nets - Determination of mesh breaking force of netting 

TH231

TH231-6-16

THS43

EN1856
EN ISO1856

Flexible cellular polymeric materials — Determination of compression set

THS1563+EH12.5+EH6.25

THS757-V21

EN1922
DIN EN ISO1922

Determination of shear  properties

TH193-V4

EN1927-6

DIN EN ISO1927-6

Monolithic (unshaped) refractory products - Part 6: Measurement of physical properties.

6. Determination of cold crushing strength. 

THS223-196 + TH23-196 (for insulating unshaped materials)

 

THS223-96 + TH23-196 (for dense unshaped materials)

EN1939
DIN EN1939

Self adhesive tapes - Determination of peel adhesion properties

TH50

TH49

THS989-95x45-HR

THS1864

EN1944

Self-adhesive tapes - Measurement of unwind adhesion at low speed

TH3660

EN2039-1
DIN EN ISO2039-1

Plastics - Determination of hardness - Part 1: Ball indentation method

TH65

EN2243-2
DIN EN2243-2

Aerospace series - Non-metallic materials - Structural adhesives - Test method - Part 2: Peel metal-metal

TH105-D25-B30

EN2243-3

DIN EN2243-3

Aerospace series - Non-metallic materials - Structural adhesives - Test method - Part 3: Peeling test metal-honeycomb core

TH115

EN2243-4
DIN EN2243-4

Aerospace series - Non-metallic materials - Structural adhesives - Test method - Part 4: Metal-honeycomb core flatwise tensile test

TH113

EN2377
DIN EN2377

Aerospace series; glass fibre reinforced plastics; test method; determination of apparent interlaminar shear strength

THS884+TH238

EN2439
DIN EN ISO2439

Flexible cellular polymeric materials — Determination of hardness (indentation technique)

TH36-D200-R1+THS223b-Af159

EN2562
DIN EN2562

Aerospace series - Carbon fibre reinforced plastics - Unidirectional laminates; flexural test parallel to the fibre direction

THS884-ith2-Af159

TH238-AR3+OR3+THS884

TH103-B220-CR3-5-oFR3-oFR12.5-ok+GDE

EN2563
DIN EN2563

Aerospace series - Carbon fibre reinforced plastics - Unidirectional laminates; determination of apparent interlaminar shear strength

TH103-B220-CR3-5-oFR3-oFR12.5-ok+GDE

TH238-AR3+OR3+THS884

TH238St-AR3x3-OR3+Gde

THS884+TH238+TH187

EN2831

Aerospace series - Hydrogen embrittlement of steels - Test by slow bending

THS953-20

EN2832

Aerospace series - Hydrogen embrittlement of steels - Notched specimen test

TH179-318-GT-o+EM12-Am25

prEN2850

Aerospace series - Carbon fibre thermosetting resin - Unidirectional laminates - Compression test parallel to fibre direction

THS793-prEN2850-B1

THS793-prEN2850-B2

TH121

EN3037

DIN EN ISO 3037

Corrugated fibreboard — Determination of edgewise crush resistance (unwaxed edge
method)

THS733-200-ISO3037

THS86-150x220-H127

EN3238

Aerospace series - Metallic materials - Test method - Shear test for wires and rivets

THS1340-EN3238

EN3303-1

DIN EN ISO3303-1

Bursting strength of rubber- or plastics-coated fabrics - Part 1: Steel-ball method

THS453-45-P25.2

EN3327

DIN EN ISO3327

Hardmetals - Determination of transverse rupture strength

THS1087

TH22St-240-CX5-cgr

TH22St-360-CX6-oX6

EN3377- 2
DIN EN ISO3377- 2

Leather - Physical and mechanical tests - Determination of tear load - Part 2: Double edge tear

THS694-20-L80-Af159-2L

THS694-20-L98-Af159-2L

EN3379
DIN EN ISO3379

Leather - Determination of distension and strength of surface (Ball burst method)

THS460 

EN3386-1

DIN EN ISO3386-1

Polymeric materials, cellular flexible - Determination of stress-strain characteristics in compression - Part 1: Low-density materials

THS223k-D203


TH36L-L6x20

EN3651-2
DIN EN ISO3651-2

Determination of resistance to intergranular corrosion of stainless steels — Part 2: Ferritic,austenitic and ferritic-austenitic (duplex) stainless steels — Corrosion test in media containing sulfuric acid

TH103-FV-oR2,3,4,5-W70

EN4624

DIN EN ISO4624

Paints and varnishes - Pull-off test for adhesion

THS625

THS1514

EN5173

DIN EN ISO5173

Destructive tests on welds in metallic materials - Bend tests 

THS1018

THS260

EN6259-1

EN ISO6259−1

Thermoplastics pipes - Determination of tensile properties - Part 1:
General test method

THS474

EN6259-3
DIN EN ISO6259-3

Thermoplastics pipes — Determination of tensile properties — Part 3: Polyolefin pipes

THS1086-12-50

THS1086-30-70

EN6507-2

DIN EN ISO6507-2

Metallic materials - Vickers hardness test - Part 2: Verification and calibration of testing machines

THS71-10

EN6872

DIN EN ISO6872

Dentistry - Ceramic materials

THS1620-16.5-1.6-ISO6872

TH238-5P-CWX5-Af159

EN6892

DIN EN ISO 6892

Metallic materials - Tensile testing - Part 1: Method of test at room temperature

THS265-CSB12.5x75-20x175 (Type 1)

THS265-CSB20x90-32x210 (Type 2)

THS265-CSB20x80-30x180 (Type 1)

THS265-CSB20x120-30x270 (Type 1)

EN7389
DIN EN ISO7389

Building construction - Jointing products - Determination of elastic recovery of sealants

THS504

EN7438

DIN EN ISO7438

 

Metallic materials — Bend test

TH238-3P-200-CXD30x40

TH103-FV-VDA238-100

THS260

THS1711

EN7808

DIN EN ISO7808

Plastics - Thermosetting moulding materials - Determination of transfer flow 

TH4220-D90+gde

EN7864

DIN EN ISO7864

Tensile test fixture to test sterile hypodermic needles

THS1114

THS1180

EN7886-1
DIN EN ISO7886-1

Sterile hypodermic syringes for single use - Part 1: Syringes for manual use

THS727-80

TH238-ISO9626

EN8033
EN ISO8033

Rubber and plastics hoses — Determination of adhesion between components

TH256-SBPR-25x25-L103

EN8295

DIN EN ISO8295

Plastics - Film and sheeting - Determination of the coefficients of friction

TH62-50

EN8339
DIN EN ISO8339

Building construction - Sealants - Determination of tensile properties (Extension to break)

THS504

EN8340
DIN EN ISO8340

Determination of tensile properties at maintained extension

THS504-52-12-77-36-5

EN8493

DIN EN ISO8493

Metallic materials - Tube - Drift-expanding test

THS791

EN8611-1
EN ISO8611-1

Pallets for materials handling — Flat pallets

TH22-4P-1200-CM50x120

EN8895

DIN EN ISO 8895

Shaped insulating refractory products - Determination of cold crushing strength

THS223-196 + TH23-196

EN9046
DIN EN
ISO9046

Building construction - Jointing products - Determination of adhesion/cohesion properties of sealants at constant temperature

THS504

EN9073-5
DIN EN ISO9073-5

Textiles - Test methods for nonwovens - Part 5: Determination of resistance to mechanical penetration (ball burst procedure)

THS453-D44.45-R12.7

EN9073-7

DIN EN ISO9073-7

Textiles - Test methods for nonwovens - Part 7: Determination of bending length

THS853-20

EN9187-1
DIN EN ISO9187-1

Injection equipment for medical use - Part 1: Ampoules for injectables

TH238-B200-OR2-CWx

TH238-ISO9187-1

EN9073-18

DIN EN ISO9073-18

 

 

Textiles — Test methods for nonwovens — Part 18: Determination of breaking strength and elongation of nonwoven materials using the grab tensile test

TH83+BG25

EN9626

DIN EN ISO9626

Stainless steel needle tubing for the manufacture of medical devices - Requirements and test methods

THS1588-ISO9626-Ann.C

 

TH238+CR0.1V90-OR1-St

EN9665
DIN EN ISO 9665

Adhesives - Animal glues - Methods for sampling and testing

THS42-F12.7R0.39-80 + TH23-56

EN9836-1

DIN EN ISO9836-1

Geosynthetics - Determination of thickness at specified pressures - Part 1: Single layers

THS1597

EN10080
DIN EN10080

Steel for the reinforcement of concrete - Weldable reinforcing steel - General

THS162-1060-V3-EN10080

EN10130
DIN EN10130

Cold rolled low carbon steel flat products for cold forming - Technical delivery conditions

TH192-20-26-W60

EN10223-3

DIN EN10223-3

Steel wire and wire products for fencing and netting - Part 3: Hexagonal steel wire mesh products for civil engineering purposes

TH43-G40+W630

EN10223-8
DIN EN10223-8

Steel wire and wire products for fencing and netting - Part 8: Welded mesh gabion products

THS290-40

EN10319

DIN EN ISO10319

Metallic materials - Tensile stress relaxation testing - Part 1: Procedure for testing machines

THS668

TH135

EN10354

DIN EN ISO10354

Adhesives – Characterization of durability of structural-adhesive-bonded assemblies – Wedge rupture test

THS1455-CH6.5x1-P3x25V60

EN10477
DIN EN ISO10477

Dentistry - Polymer-based crown and veneering materials

TH238+CX2+4+10

THS1680-V2-20x6

EN11527

Building construction - Sealants - Test method for the determination of stringiness

THS2013

EN10545

DIN EN ISO10545

Ceramic tiles - Part 2: Determination of dimensions and surface quality

TH22-360

EN11542-2
DIN EN ISO11542-2

Plastics - Ultra-high-molecular-weight polyethylene (PE-UHMW) moulding and extrusion materials - Part 2: Preparation of test specimens and determination of properties

THS941

EN11608-3

DIN EN ISO11608-3

Needle-based injection systems for medical use - Requirements and test methods - Part 3: Finished containers 

THS1256-V1

EN11644
DIN EN ISO11644

Leather - Test for adhesion of finish

THS1186-20

EN11857

Textile floor coverings - Determination of resistance to delamination

TH240G+SG+BP25x75

EN11979-3
DIN EN ISO11979-3

Ophthalmic implants - Intraocular lenses - Part 3: Mechanical properties and test methods. Compression test.

THS1468

EN12002
DIN EN12002

Adhesives for tiles - Determination of transverse deformation for cementitious adhesives and grouts

TH238-B300-CXH50-D10x60


THS7
63

EN12003
DIN EN12003

Adhesive for tiles - Determination of shear adhesion strength of reaction resin adhesives

THS450

THS534

EN12004
DIN EN12004

Adhesives for tiles - Requirements, evaluation of conformity, classification and designation

TH16

THS450

TH238-B300-CXH100-D10x60

THS608-2P-108x108-B240

EN12080

Railway applications - Axleboxes - Rolling bearings

THS2036 (Tension test D.6)

EN12089

DIN EN12089

Thermal insulating products for building applications - Determination of bending behaviour

TH22-1300-CX80x300-EN12089-A

TH22-600-CX30x150- EN12089-B

EN12090

DIN EN12090

Shear properties of sandwich core materials

TH193-V4 (Fig. 1)

THS608

EN12150-2

Glass in building – Thermally toughened soda lime silicate, safety glass

THS124-V2-1100

EN12190
DIN EN12190

Determination of compressive strength of repair mortar

TH103-220-CWX10-OWX10

EN12192
DIN EN ISO12192

Paper and board — Determination of compressive strength — Ring crush method

THS733-200-ISO12192

EN12195-2

Load restraint assemblies on road vehicles - Safety - Part 2: Web lashing made from man-made fibres

TH222-60-120

EN12230

DIN EN12230

Surfaces for sports areas. Determination of tensile properties of synthetic sports surfaces

THS265-CH25x55

EN12236

DIN EN ISO12236

Static puncture test on geotextiles

THS174-D150-F50-V2

EN12242
DIN EN12242

Touch and close fasteners - Determination of peel strength

THS989-100-5-HR

EN12259-1
DIN EN12259-1

Fixed firefighting systems - Components for sprinkler and water spray systems - Part 1: Sprinklers

THS1730-V1

EN12275

Safety requirements and test methods for mountaineering and climbing connectors

THS353-10x30-M12-C50x35
+
THS353-10x15-M12-C25x35

EN12277

Specifies safety requirements and test methods for harnesses for use in mountaineer-ing including climbing. It is applicable to full body harnesses, small body harnesses, sit harnesses and chest har-nesses

THS353-25x70-Am317-EN12277

EN12310-1
DIN EN12310-1

Flexible sheets for waterproofing - Part 1: Bitumen sheets for roof waterproofing; determination of resistance to tearing (nail shank).

THS716

EN12316-2

Flexible sheets for waterproofing - Determination of peel resistance of joints - Part 2: Plastic and rubber sheets for roof waterproofing

TH154-10+BP

EN12311-2
DIN EN12311-2

Flexible sheets for waterproofing - Determination of tensile properties - Part 2: Plastic and rubber sheets for roof waterproofing

THS265-CHB6x33(Type B)

TH154-10+BP

EN12317-2

Flexible sheets for waterproofing - Determination of shear resistance of joints - Part 2: Plastic and rubber sheets for roof waterproofing

TH154-10+BP

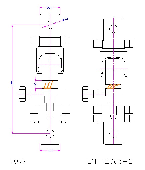
EN12365-2

Building hardware - Gasket and weatherstripping for doors, windows, shutters and curtain walling - Part 2: Linear compression force test methods

THS349-20

EN12372
DIN EN12372

Natural stone test methods - Determination of flexural strength under concentrated load

TH103-300-CWX10

EN12384

Copper and copper alloys - Determination of spring bending limit on strip

TH103-200-CR0-W10.2-R15-OR1-2P

EN12390-4

Testing hardened concrete - Part 4: Compressive strength - Specification for testing machines

THS223b-220-AmPG70+TH36-D246

EN12390-5

Testing hardened concrete - Part 5: Flexural strength of test specimens

THS828-5P-500-D30x152

EN12390-6

Testing hardened concrete - Part 6: Tensile splitting strength of test specimens

THS1230-D150

EN12402-Fig1
DIN EN ISO12402-Fig1

Standard for personal flotation devices

THS1205-9x1.6-Af20

EN12430
DIN EN12430

Thermal insulating products for building applications - Determination of behaviour under point load

TH23-79.8

TH36-300-QZ100-Al + THS223k-79.8R0.5-Af159

EN12431

DIN EN12431

Thermal insulating products for building applications. Determination of thickness for floating floor insulating products

TH36-200

EN12467
DIN EN12467

Fibre-cement flat sheets - Product specification and test methods

TH22-360+FD30x250

TH22St-5P-800-CWX10+CWX40x500+CWLD30x120

EN12625-5

DIN EN ISO12625-5

Tissue paper and tissue products - Part 5: Determination of wet tensile strength

THS779-2020-HL

EN12625-9
DIN EN ISO12625-9

Tissue paper and tissue products - Part 9: Determination of ball burst strength

THS855-10

EN12697-23

Bituminous mixtures - Test methods - Part 23: Determination of the indirect tensile strength of bituminous specimens

THS1376-50-GT12.7R40 (similar)

ENV12718

Medical compression hosiery

THS1305-NF-G30-102-Af159  

EN12730

Flexible sheets for waterproofing - Bitumen, plastic and rubber sheets for roof waterproofing - Determination of resistance to static loading

THS2077-01+02+THS42-K10 

EN12773
DIN EN12773

Footwear - Test methods for outsoles - Needle tear strength

THS111-DIN53506-Af159-P

EN12785

Footwear - Test methods for whole shoe - Heel attachment

THS1378-40 Fig.2

EN12814-1

Testing of welded joints of thermoplastics semi-finished products - Part 1: Bend test

TH103-FV-V26

EN12814-2
DIN EN12814-2

Testing of welded joints of thermoplastics semi-finished products - Part 2: Tensile test

THS260-100-360

EN12814-4
DIN EN12814-4

Testing of welded joints of thermoplastics semi-finished products - Part 4: Peel test

THS353-5x30 (Fig.5 )

EN13007

ISO EN13007

Ceramic tiles - Grouts and adhesives –
Part 1: Terms, definitions and specifications for adhesives

THS450  

THS534


TH238-B300-CXH100-D10x60

THS1254-50-300x300

EN13055-1
DIN EN13055-1

Lightweight aggregates - Part 1: Lightweight aggregates for concrete, mortar and grout

THS994

EN13230-2

Railway applications. Track. Concrete sleepers and bearers. Prestressed monoblock sleepers

THS535-V16-3000

EN13279-2

Gypsum binders and gypsum plasters - Part 2: Test methods

THS1355-V2-D50

EN13286

Unbound and hydraulically bound mixtures. Test methods for laboratory reference density and water content. Proctor compaction

THS1427-V5 (Similar)

THS1427

EN13298

Railway applications - Suspension components - Helical suspension springs, steel

THS402-29-230

EN13286-42

Unbound and hydraulically bound mixtures. Test method for the determination of the indirect tensile strength of hydraulically bound mixtures

THS1230-D50

EN13354
DIN EN13354

Solid wood panels (SWP) - Bonding quality

THS740

EN13393
DIN EN13393

Packaging - Specification for edge protectors

THS993-240

EN13446
DIN EN13446

Wood-based panels - Determination of withdrawal capacity of fasteners

THS325+THS235-20-130x130

EN13494
DIN EN13494

Thermal insulation products for building applications - Determination of the tensile bond strength of the adhesive and of the base coat to the thermal insulation material

THS235-60x60-132x132

EN13503-2

DIN EN ISO13503-2

Petroleum and natural gas industries -- Completion fluids and materials - Part 2: Measurement of properties of proppants used in hydraulic fracturing and gravel-packing operations

THS947

EN13523-1
DIN EN13523-1

Coil coated metals - Test methods - Part 1: Film thickness

TH4060

EN13555
DIN EN13555

Flanges and their joints - Gasket parameters and test procedures relevant to the design rules for gasketed circular flange connections

THS1510

EN13572

DIN EN13572

Footwear - Test methods for uppers, lining and insocks - Seam strength

THS1205

EN13674-1

Railway applications - Track - Rail - Part 1: Vignole railway rails 46 kg/m and above

TH22St-360-CN40

EN13693
DIN EN13693

Precast concrete products - Special roof elements

TH22-500-CWD10x300

TH22-360-240-CWD10x300

EN13706

Reinforced plastics composites - Specifications for pultruded profiles - Part 1: Designation

THS396
 (Annex E, pin bearing strength)  
 

TH22-500-CWER50-OR100
(Annex D, flexural modulus)

EN13706-2

Reinforced plastics composites - Specifications for pultruded profiles - Part 2: Methods of test and general requirements

TH22-500-CWER50-OR100

 EN13880-10

Determination of adhesion and cohesion following continuous extension and compression

THS504-100-50-130-65-50-2rm

EN13880-13

Determining the extensibility and the adhesion to concrete of hot applied sealant-systems with or without priming simulating the moving of concrete pavement slabs during cooling conditions in wintertime

THS504-220-30-260-75-60-2rm

EN13892-2
DIN EN13892-2

Methods of test for screed materials - Part 2: Determination of flexural and compressive strength

TH103-200-CWEX10-OWEX10

EN13934
DIN EN ISO13934

Textiles - Tensile properties of fabrics - Part 1: Determination of maximum force and elongation at maximum force using the strip method 

TH83

THS265-CHR50x260

EN13936-1
DIN EN ISO13936-1

Textiles - Determination of the slippage resistance of yarns at a seam in woven fabrics - Part 1: Fixed seam opening method

TH240g+B25x25+B25x50

EN13936-2
DIN EN ISO13936-2

Textiles - Determination of the slippage resistance of yarns at a seam in woven fabrics - Part 2: Fixed load method

TH240g+BP25x25+BP25x50

TH240k+BW30+BW50

EN13936-3
DIN EN ISO13936-3

Textiles - Determination of the slippage resistance of yarns at a seam in woven fabrics - Part 3: Needle clamp method

THS1108

EN13963

Jointing materials for gypsum boards - Definitions, requirements and test methods

TH154-20 (tensile test)   

TH238-4P-430-CWXD10x300 (bending test)

TH22-3P/4P-500-CWER3.2x305


EN14024
DIN EN14024

Metal profiles with thermal barrier. Mechanical performance. Requirements, proof and tests for assessment

THS1273 (Tensile test)

THS674-V4 (Shear test)

EN14080
DIN EN14080

Timber structures - Glued laminated timber and glued solid timber - Requirements Timber structures - Glued laminated timber and glued solid timber - Requirements

TH17

EN14125
DIN EN ISO14125

Fibre-reinforced plastic composites - Determination of flexural properties

TH22-5P-240-CWLD4+D10

TH22-5P-CWR2+110 Fig 4

THS884+TH238+TH187

THS1498-5P-300-R2+R5-Af159

EN14126
DIN EN ISO14126

Fibre-reinforced plastic composites - Determination of compressive properties in the in-plane direction 

TH121

THS613 (Method 1)

THS705+Ko  (Method 2)
 
THS321-250c-Hy + THS705-F100-Ko
 (Method 2)

THS793-ISO14126 (Method 2 Fig. C2)

EN14130
DIN EN ISO14130

Fibre reinforced plastic composites - Determination of apparent interlaminar shear strength by short beam-method

TH103-B220+AR2R5

THS884-ith2-Af159

THS1498-5P-300-R2+R5-Af159

EN14224

Determining the crack bridging ability of reinforced bitumen sheets used in waterproofing systems on concrete bridge decks and other areas of concrete trafficable by vehicles

THS1907-S220

EN14272
DIN EN ISO14272

Resistance welding - Destructive testing of welds - Specimen dimensions and procedure for cross tension testing of resistance spot and embossed projection welds

THS1146

EN14279
DIN EN14279

Laminated Veneer Lumber (LVL) - Definitions, classification and specifications

THS927

EN14410
DIN EN14410

Self adhesive tapes - Measurement of breaking strength and elongation at break

THS919-100

THS919-100-100-F20

EN14444

DIN EN14444

Structural adhesives - Qualitative assessment of durability of bonded assemblies - Wedge rupture test

THS1455-CH6.5x1-P3x25V60

EN14566
DIN EN14566

Mechanical fasteners for gypsum plasterboard systems - Definitions, requirements and test methods

TH235-20-150x150

EN14574

Geosynthetics - Determination of the pyramid puncture resistance of supported geosynthetics

THS474-8K40 (sample type 1) 

EN14477
DIN EN14477

Packaging, Flexible packaging material - Determination of puncture resistance - Test methods

THS511

THS42-R0.5-50-Af159

THS656-D10-2Kou

EN14488-3

Testing sprayed concrete - Part 3: Flexural strengths (first peak, ultimate and residual) of fibre reinforced beam specimens

THS828

EN14509
DIN EN14509

Self-supporting double skin metal faced insulating panels - Factory made products - Specifications

TH22-1300-500-CN40x200

TH22-1000-360-CM60x160-H200

THS1063-20.3-WDF

EN14555
DIN EN ISO14555

Welding - Arc stud welding of metallic materials

THS1556

EN14587

Railway applications. Track. Flash butt welding of rails

THS1325

EN14617-2

Agglomerated stone - Test methods - Part 2: Determination of flexural strength (bending)

TH22ST-600-H128-CWLD30-OR38

EN14651

Test method for metallic fibre concrete - Measuring the flexural tensile strength (limit of proportionality (LOP), residual)

THS828-5P-500-D30x152

EN14704-1
DIN EN14704-1

Determination of the elasticity of fabrics - Part 1: Strip tests

TH231  (Loop test)

THS353-6x80-Al  (Loop test)

TH240g+BLCR3-25x75 (Strip test)

TH227-B80-BLCR3 (Strip test)


EN14801

DIN EN ISO14801

Dentistry - Implants - Dynamic loading test for endosseous dental implants

THS543-170

THS1959

EN14867

Packaging - Plastic freezer bags - Specifications and test methods

THS174-125-R6.35

EN14869-2

Structural adhesives - Determination of shear behaviour of structural bonds - Part 2: Thick adherends shear test

THS1068

EN14891
DIN EN14891

Liquid applied water impermeable products for use beneath ceramic tiling bonded with adhesives. Requirements, test methods, assessment and verification of constancy of performance, classification and marking

THS1168-Am1665

EN14916
DIN EN ISO14916

Thermal spraying - Determination of tensile adhesive strength

THS625

THS1514

EN15048-1
DIN EN15048-1

Non-preloaded structural bolting assemblies - Part 1: General requirements

THS786

EN15534

Composites made from cellulose-based materials and thermoplastics (usually called wood-polymer composites (WPC) or natural fibre composites (NFC)) - Part 1 : Test methods for characterisation of compounds and products

TH22-360+CX15+OX30 (Figure A.1)

EN15598

Textiles - Terry fabrics - Test method for the determination of the resistance to pile loop extraction

THS1595-EN15598

EN15630-2
DIN EN ISO15630-2

Steel for the reinforcement and prestressing of concrete - Test methods - Part 2: Welded fabric and lattice girder 

THS290-10 

THS290-21

THS290-30

THS290-40

THS290-50

EN16153

Light transmitting flat multiwall polycarbonate (PC) sheets for internal and external use in roofs, walls and ceilings - Requirements and test methods

THS139-9P-1350-CX10x160-Af20

EN16354

Laminate floor coverings - Underlays - Specification, requirements and test methods

TH36-200-Al + TH36-100-Al

EN16732

Slide fasteners (zips) - Specification

THS323-140-V1+TH36T-250-AL

EN16758

Curtain walling - Determination of the strength of shear connections

THS1900

EN17192

Ductwork - Non-metallic ductwork - Requirements and test methods

THS1724

EN17271
DIN EN17271

Plastics - Poly(vinyl chloride) (PVC) based profiles - Determination of the peel strength of profiles laminated with foils

TH192-25-27-180-180-4R

EN17333-4
DIN EN17333-4

Characterization of One Component Foam (OCF) - Part 1: Yield

Measurement of the tensile strength of polyurethane foam

 

Charakterisierung von Einkomponentenschäumen

Messung der Zugfestigkeit von Polyurethanschaum

THS504-62-82-200-5-Af20-EN17333-4-M2

EN17394-2

Textiles and textile products - Part 2: Safety of children's clothing - Security of attachment of buttons - Test method

THS1042-10 + TH240k+BP25+BP50

EN17394-3

Textiles and textile products - Part 3: Safety of children's clothing - Security of attachment of metal mechanically applied press fasteners - Test method

THS1042-30 (lower holder) + THS807-S25 (upper grip, similar to EN17394-3)

EN17697
DIN EN ISO17697

Footwear - Test methods for uppers, lining and insocks - Seam strength

THS1205

EN20126
DIN EN ISO20126

Dentistry — Manual toothbrushes — General requirements and test methods

THS341-10-K + THS63-10

EN20344
EN ISO20344

Personal protective equipment. Test methods for footwear

THS1380-20 Fig.13

 THS1148-20 Fig.19

THS1148-OT+THS470-Af20
(ISO20344-Fig.5)


THS1544-V21

THS1544-V23

EN20482

DIN EN ISO20482

Testing of metals; Erichsen cupping test on sheet and strip metal having a width of >= 90 mm; Thickness range: 0.2 mm to 2 mm

THS145-D27-R10

THS145-D11-R4

EN20795-1

DIN EN ISO20795-1

Dentistry - Artificial teeth for dental prostheses

THS1447-S12 + TH227+BP25-Af20

EN20932-1
EN ISO20932-1

Textiles. Determination of the elasticity of fabrics. Strip tests.

TH227-B80-BLCR3 (Strip test)

EN21182
DIN EN ISO21182

Light conveyor belts - Determination of the coefficient of friction 

TH62-40

EN22112
DIN EN ISO
22112

Dentistry - Artificial teeth for dental prostheses

THS1447-S12 + TH227+BP25-Af20

EN22254
DIN EN ISO22254

Dentistry - Manual toothbrushes - Resistance of tufted portion to deflection

THS63

EN23910
DIN EN ISO23910

Leather - Physical and mechanical tests - Measurement of stitch tear resistance

THS694-10

EN23936-2-B.2

DIN EN ISO23936-2-B.2

Petroleum, petrochemical and natural gas industries - Non-metallic materials in contact with media related to oil and gas production - Part 2: Elastomers 

THS1512-32

EN24343
DIN EN ISO24343

Resilient and laminate floor coverings — Determination of indentation and residual indentation

TH23-11.28-Af159-ST

THS42-F11.3-125-Af159

EN28339

Determination of tensile properties of sealants used in building construction

THS674-V7-EN28339

EN28510-1
DIN EN28510-1

Adhesives - Peel test for a flexible-bonded-to-rigid test specimen assembly - Part 1: 90° peel

TH50

EN29022
DIN EN  ISO29022

Dentistry - Adhesion - Notched-edge shear bond strength test

THS633-540-V5

EN29862
DIN EN ISO29862

Self adhesive tapes - Determination of peel adhesion properties

THS989-95x45-HR

TH49

TH50 (90° peel test)

EN29864
EN ISO29864-Method-B

Self adhesive tapes - Measurement of breaking strength and elongation at break

THS919-100

EN50146
DIN EN50146

Cable ties for electrical installations

THS43-H40

EN50342-5
DIN EN50342-5

Lead-acid starter batteries - Part 5: Properties of battery housings and
handles

THS1402 (4.4.4)

EN50618

Electric cables for photovoltaic systems

THS1131-V12-UT75+ORX0.45-Af159

EN60672-2

Ceramic and glass insulating materials - Part 2: Methods of test

TH103-5P-CWLD6-10

EN60793-1-32
DIN EN/IEC 60793-1-32

Optical fibres - Part 1-32: Measurement methods and test procedures - Coating strippability

THS1192+Ko + TH76-1-D80+Ko

EN60811-1-1

Insulating and sheathing materials of electric and optical cables - Common test methods - Part 1-1: General application - Measurement of thickness and overall dimensions - Tests for determining the mechanical properties

THS265-CHB4x17 (Fig 13)

THS265-CHB4x25 (Fig 12)

EN60811-3-2

Amendment 2 - Insulating and sheathing materials of electric and optical cables - Common test methods - Part 3-2: Methods specific to PVC compounds - Loss of mass test - Thermal stability test

THS265-CHB4x25 (Fig.1)

THS265-CHB4x17 (Fig 2)

EN60811-501

Electric and optical fibre cables - Test methods for non-metallic materials - Part 501: Mechanical tests - Tests for determining the mechanical properties of insulating and sheathing compounds

THS265-CHB4x17 (Fig 2)

THS265-CHB4x25 (Fig.2)


EN61061-1
DIN EN61061-1

Non-impregnated densified laminated wood for electrical purposes - Part 1: Definitions, designation and general requirements

THS949

EN61386-1
DIN EN61386-1

Conduit systems for cable management - Part 1: General requirements

TH16-99-D64-W100
(Tensile test)

TH23-Q50-R1-Af20-ST
(Compression test)

THS1311+TH23-246-Af159-St

BS EN62275

Cable management systems. Cable ties for electrical installations

THS43-10+HR19.05

info@grip.de

 

LX 06 Feb 2026

 

TOP