|
|
|
|
THS474-ISO6259-1 Testing tensile properties of thermoplastics pipes according to EN ISO6259−1 |
|
|
THS474-4-H5-R6-Am2510-TiN |
|
|
THS474-9.5-H15-R12.7-Af159 Open version Max. load 5 kN For samples 5-15 mm thick Steel, nickel coated Temperature range -40°C … +120°C Coupling Af159 |
|
|
THS474-9.6x15-R12.7-Am1665-T80 Special chuck grip to measure displacement in the end-tab of a
JANNAF Class C tensile specimen. Testing of propellant. Max. sample thickness 12.7 mm Max. load 1 kN Steel, nickel coated Temperature range -65°C … +80°C Coupling Am16/6.5 |
|
|
THS474-10-H10-R25-S15 |
|
|
THS474-10-H10-R25-Af159-ISO527 |
|
|
THS474-10-R60-Af159-IS0527-3-Fig.3 Special version for samples with pull rods for temperature
chamber application Coupling Af159 |
|
|
|
|
|
THS474-29-76-60-R12.5-DIN
EN302-3 Testing of adhesives for load-bearing
timber structures according to DIN EN302-3 |
|
|
THS474-29x50-R13-Af159-ASTM-D143 |
|
|
THS474-127x30-10-Af159-ASTM-D143 |
|
|
THS474-1x0.6-R03-K80-Af20-2L Special version for bone-shaped micro samples
0.6 mm thick, max. 0.8 mm wide Max. load 1 kN Steel, hardened, nickel-plated With 2 pin holes |
|
|
THS474-3x1-Af20-2L |
|
|
THS474-3x1.6-R2.5-45-Af20-2L Special version for bone-shaped sample 1.6 mm
thick, max. 2.5 mm wide Max. load 10 kN Steel, hardened, nickel-plated With 2 pin holes |
|
|
THS474-3x3.7-A90-bscd-Af32124 |
|
|
THS474-127x30-10-Af159-ASTM-D143 |
|
|
THS474-130-4x40-GOST32842 |
|
|
THS474-23x5-K22 Testing of composite specimens max. 5 mm thick and 30 mm wide Incl. round inserts 10 mm, 12.5 mm
and 15 mm thick to accommodate samples of different
thicknesses Special steel, temperature range -150°C … 0°C Max. load 50 kN, coupling Af318 |
|
|
THS474-E10 - E12.5 -E15 Incl. round inserts 10 mm, 12.5 mm
and 15 mm thick to accommodate samples of different
thicknesses |
|
|
THS474-33K41x12.7-Am317-bscd Special chuck grip for dog-bone shaped specimens with closed
rear side and holders for extensometer |
|
|
THS474-30x35-Am35+ith7-bscd
Special version with a closed back
side with holders for extensometer |
|
|
THS474-50x70-Af318-F50-T180 Special chuck grip similar to ISO1926 |
|
|
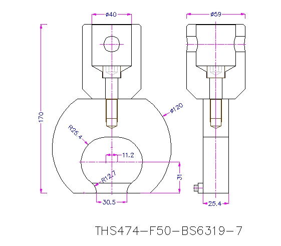
THS474-F50-BS6319-7 Determination of tensile force of
resin and polymer/cement compositions for use in construction |
|
|
THS474-AxB-C-D-E |
|
|
LX 15 Dec 2025 |
|