Grip-Engineering


info@grip.de

ISO Fixtures

Back

 

ISO34-1

DIN ISO34-1

Rubber, vulcanized or thermoplastic — Determination of tear strength — Part 1: Trouser, angle and crescent test pieces

THS265-CHV12.7x102 Fig.2

THS1678

ISO37

Rubber, vulcanized or thermoplastic — Determination of tensile stress-strain properties

THS265-CHB4x16 (Type 3)

THS265-CHB4x17 (Type 3)

THS265-CHB4x25 (Type 2)

THS265-CHB5x21 (Type 1A)

THS265-CHB6x33 (Type 1)

THS265-CHB2x12-6x35 (Type 4)

THS265-CWB4x25

TH44

ISO75-2

Plastics — Determination of temperature of deflection under load — Part 2: Plastics and ebonite

THS265-CHR10x80

ISO178

DIN EN ISO178

Plastics — Determination of flexural properties

TH103-B220-CR5-oFR5

TH103-3P-B220-AR2-5-oFR5-cgr

TH103-3P-B220-AR3-5-oFR5-ok

TH103-3P-B220-CR5-oFR5-cgr

TH22

TH238

ISO180

Plastics — Determination of Izod impact strength

THS265-CHR10x80+V2x45  (Sample Type A)

ISO196-1

Testing cement - Part 1: Determination of strength

THS1376-250-40x40-H160

ISO252

Conveyor belts -- Adhesion between constitutive elements

THS470

ISO306
DIN EN ISO306

Plastics - Thermoplastic materials - Determination of Vicat softening
temperature (VST)

THS265

ISO527-1

Plastics — Determination of tensile properties

Part 1: General principles

THS1287-300+BP (grip)

ISO527-2

DIN EN ISO527-2

Plastics -- Determination of tensile properties -- Part 2: Test conditions for moulding and extrusion plastics

THS265-CW10x60

THS265-CHB10x60 (Type 1B)

THS265-CHB10x80 (Type 1A)

THS265-CHB4x25 (Type 5A)

THS265-CHB5x30 (
Type 1BA)

THS265-CHB2x12-4x30 (Type 1BB)

THS265-CHB2x12-6x35 (Type 5B)

THS474-10-H10-R25

THS1390-MLD-10x80-ISO527-2-Type1A-ISO604-TypeB

ISO527-3

DIN EN ISO527-3

Plastics — Determination of tensile properties — Part 3: Test conditions for films and sheets

THS265-CHB6x33 (Type 5)

THS265-CHB10x60 (Type 1B)

THS265-CHB25.4x50 (Type 4)

THS265-CHR15x150 (Type 3)

THS265-CWR25x150 (Type 2)

 THS265-CWB25.4x50
(Type 4)

THS474-10-R60

ISO527-4

Determination of tensile properties
Part 4: Test conditions for isotropic and orthotropic fibre-reinforced plastic composites

THS28-BP50x75-S15 + THS438-3513-AM20

ISO604
DIN EN ISO604

Plastics - Determination of compressive properties

TH23-56

THS1390-MLD-10x80-ISO527-2-Type1A-ISO604-TypeB-Type B

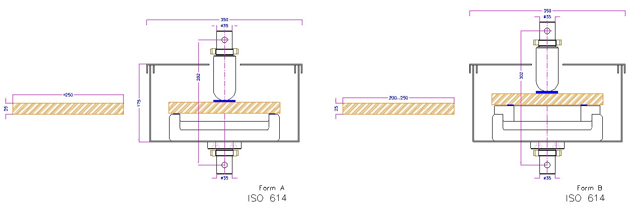
ISO614

Ships and marine technology — Toughened safety glass panes for rectangular windows and side scuttles — Punch method of non-destructive strength testing

THS1497+THS800-350x350x175

ISO813

DIN ISO813

Determination of adhesion to a rigid substrate - 90 degree peel method

TH95-3

TH95-4

ISO814

Rubber, vulcanized or thermoplastic — Determination of adhesion to metal — Two-plate method

THS1040-10-Af318-ISO814

ISO815-1

Rubber, vulcanized or thermoplastic — Determination of compression set Part 1: At ambient or elevated temperatures

THS578-4P-130x130-DVRxx

THS757-2.5-80x182

ISO843-1

Information and documentation — Conversion of Greek characters into Latin characters

TH238-5P-B200-CWN-ith1

ISO844
DIN EN ISO844

Rigid cellular plastics — Determination of compression properties

TH23-156-St + THS223g-156

ISO898-1

DIN EN ISO898-1

Mechanical properties of fasteners made of carbon steel and alloy steel -- Part 1: Bolts, screws and studs with specified property classes -- Coarse thread and fine pitch thread

THS659-1000

THS786

ISO898-2
DIN EN ISO898-2

Mechanical properties of fasteners made of carbon steel and alloy steel — Part 2: Nuts with specified property classes — Coarse thread and fine pitch thread

THS786-70 (tensile test)

THS659 (tensile test)

THS910 (compression test)

ISO9969

Thermoplastics pipes — Determination of ring stiffness

TH36

ISO1209-1

Rigid cellular plastics — Determination of flexural properties
Part 1: Basic bending test

TH238-CR5-OR5

ISO1209-2

Rigid cellular plastics — Determination of flexural properties — Part 2: Determination of flexural strength and apparent flexural modulus of elasticity

TH22-360-CXD30

ISO1288

DIN EN ISO1288

Glass in building — Determination of the bending strength of glass — Part 3: Test with specimen supported at two points (four point bending)

THS124-V2

ISO1421

Rubber- or plastics-coated fabrics — Determination of tensile strength and elongation at break

TH240g+BG

ISO1798

Flexible cellular polymeric materials — Determination of tensile strength and elongation at break

THS265-CW10x40 (Type 1A)

THS265-CHB10x40 (Type 1A)

THS265-CHB13x55 (Type 1)

ISO1806

DIN EN ISO1806

Fishing nets - Determination of mesh breaking force of netting 

TH231

TH231-6-16

THS43

ISO1827

Rubber, vulcanized or thermoplastic
Determination of shear modulus and adhesion to rigid plates
Quadruple-shear methods

THS396-SP6-Af20+QSP20

ISO1856
EN ISO1856

Flexible cellular polymeric materials — Determination of compression set

THS1563+EH12.5+EH6.25

THS757-V21

ISO1922

Shear properties of sandwich core materials

TH193-V4

ISO1924-2

Paper and board — Determination of tensile properties
Part 2: Constant rate of elongation method (20 mm/min)

TH240k+B+BLCR3

ISO1926

Rigid cellular plastics — Determination of tensile properties

TH213

THS265-CHB25x55

THS474-50x70-Af318 (Similar)

THS1341-100-L435-psd+THS1341-100-L415

ISO1927-6

DIN EN ISO1927-6

Monolithic (unshaped) refractory products - Part 6: Measurement of physical properties.

6. Determination of cold crushing strength. 

THS223-196 + TH23-196 (for insulating unshaped materials)

 

THS223-96 + TH23-196 (for dense unshaped materials)

ISO2039-1
DIN EN ISO2039-1

Plastics - Determination of hardness - Part 1: Ball indentation method

THS265

ISO2062

Textiles — Yarns from packages — Determination of single-end breaking force and elongation at break using constant rate of extension (CRE) tester

THS13g-10

TH240g+Ko+BW80

ISO2137
DIN ISO2137

Petroleum products and lubricants - Determination of cone penetration of lubricating greases and petrolatum

THS1010-10

ISO2321

Rubber threads — Methods of test

TH44-OT-D20x40-Am16

ISO2411

Rubber- or plastics-coated fabrics — Determination of coating adhesion

TH240g+BG

ISO2439
DIN EN ISO2439

Flexible cellular polymeric materials — Determination of hardness (indentation technique)

TH36-D200-R1+THS223b-Af159

ISO2493-1
DIN ISO 2493-1

Paper and board - Determination of bending resistance - Part 1: Constant rate of deflection

THS1445-V3

ISO2563
DIN EN ISO2563

Aircraft ducting and piping — Profile dimensions for flanges of V-band couplings

TH238St-AR3x3-OR3+Gde

THS884+TH238+TH187

ISO3035

Corrugated fibreboard — Determination of flat crush resistance

THS733-200

ISO3037

DIN EN ISO 3037

Corrugated fibreboard — Determination of edgewise crush resistance (unwaxed edge method)

THS733-200-ISO3037

THS86-150x220-H127

ISO3167

Plastics — multipurpose test specimens

THS265-CHB10x80 (Type A)

THS265-CHB20x80 (Type B)

ISO3303-1

DIN EN ISO3303-1

Bursting strength of rubber- or plastics-coated fabrics - Part 1: Steel-ball method

THS453-45-P25.2

ISO3325

Sintered metal materials, excluding hardmetals — Determination of transverse rupture strength

TH103-B300-CXD3.2-OXD3.2-GDE

ISO3327

DIN EN ISO3327

Hardmetals - Determination of transverse rupture strength

THS1087

TH22St-240-CX5-cgr

TH22St-360-CX6-oX6

ISO3341

Textile glass — Yarns — Determination of breaking force and breaking elongation

TH76-10-D50+D90-Af20

ISO3347

Wood — Determination of ultimate shearing stress parallel to grain

THS740-V1

ISO3376

Leather — Physical and mechanical tests — Determination of tensile strength and percentage elongation

THS265-CHB10x50

ISO3377- 2
DIN EN ISO3377- 2

Leather - Physical and mechanical tests - Determination of tear load - Part 2: Double edge tear

THS694-20-L80-Af159-2L

THS694-20-L98-Af159-2L

ISO3379
DIN EN ISO3379

Leather - Determination of distension and strength of surface (Ball burst method)

THS460 

ISO3385

Flexible cellular polymeric materials — Determination of fatigue by constant-load pounding

TH36-D250-R25

ISO3386-1

DIN EN ISO3386-1

Polymeric materials, cellular flexible - Determination of stress-strain characteristics in compression - Part 1: Low-density materials

THS223k-D203


TH36L-L6x20

ISO3506-1

Fasteners — Mechanical properties of corrosion-resistant stainless steel fasteners
Part 1: Bolts, screws and studs with specified grades and property classes

THS786

ISO3651-2
DIN EN ISO3651-2

Determination of resistance to intergranular corrosion of stainless steels — Part 2: Ferritic,austenitic and ferritic-austenitic (duplex) stainless steels — Corrosion test in media containing sulfuric acid

TH103-FV-oR2,3,4,5-W70

ISO3781

DIN ISO3781

Paper and board -- Determination of tensile strength after immersion in water

THS779-2020-HL

ISO3800

Threaded fasteners — Axial load fatigue testing — Test methods and evaluation of results

THS659-250-10xM14-TK120

ISO4013

Concrete — Determination of flexural strength of test specimens

TH22

ISO4049

Dentistry — Polymer-based restorative materials

THS1390-Mold-2x25x2
(sample preparation)

TH238-CXD2-OXD2 (flexural test)

ISO4074

Natural rubber latex male condoms -Requirements and test methods

TH44-10-D15x25

ISO4437-1

Plastics piping systems for the supply of gaseous fuels - Polyethylene (PE)

Part 1: General

THS1086-12-50

ISO4578

Adhesives - Determination of peel resistance of high-strength adhesive bonds - Floating-roller method

TH105-D25-B30

ISO4587

Adhesives — Determination of tensile lap-shear strength of rigid-to-rigid bonded assemblies

TH240g+Ko+BP + THS519

ISO4589-2

Plastics — Determination of burning behaviour by oxygen index
Part 2: Ambient-temperature test

THS265-CHR10x150

ISO4624

DIN EN ISO4624

Paints and varnishes, pull off test for adhesion

THS625

THS1514

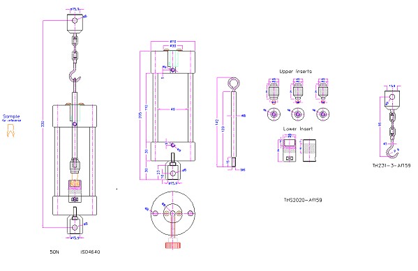
ISO4640

Dentistry — Test methods for tensile bond strength to tooth structure

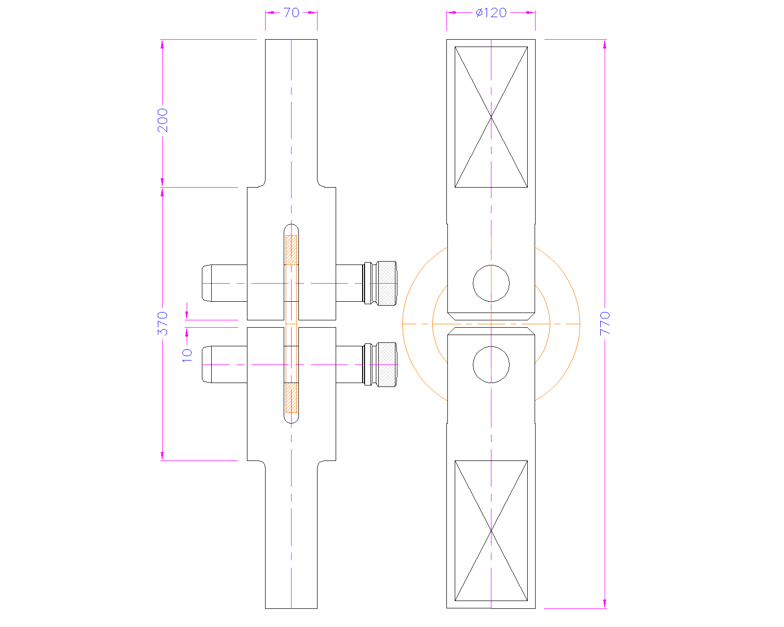
THS2020+TH231-3

ISO4647

Rubber, vulcanized — Determination of static adhesion to textile cord — H-pull test

THS1005-20

ISO4674

Rubber- or plastics-coated fabrics — Determination of tear resistance

Part 1: Constant rate of tear methods

TH240g+BG

ISO4919

Textile floor coverings - Determination of tuft withdrawal force

THS1067-10-V1

THS1067-10-V2

ISO5079

Textile fibres — Determination of breaking force and elongation at break of individual fibres

THS255-SK (manual version)

THS13g-10 (pneumatic version)

ISO5173

DIN EN ISO5173

Destructive tests on welds in metallic materials - Bend tests 

THS1018

THS260

ISO5628

Paper and board — Determination of bending stiffness — General principles for two-point, three-point and four-point methods

THS1119 (4-Point)

THS1478 (1-Point)

 

THS1489-V2
 (1-Point, bending angle)

ISO6133

Rubber and plastics — Analysis of multi-peak traces obtained in determinations of tear strength and adhesion strength

TH3-152

ISO6237

Adhesives – wood-to-wood adhesive bonds. Determination of shear strength by tension loading.

TH11-5

TH11-20

ISO6238

Testing of small clear specimens of timber

TH17

ISO6259-1
EN ISO6259−1

Thermoplastics pipes - Determination of tensile properties - Part 1: General test method

THS474

ISO6259-3
DIN EN ISO6259-3

Thermoplastics pipes — Determination of tensile properties — Part 3: Polyolefin pipes

THS353

THS1086-12-50

THS1086-30-70

ISO6311

Road vehicles — Brake linings — Internal shear strength of lining material — Test procedure

THS1476+E2.5+E5-ISO6311

ISO6312

Road vehicles - Brake linings - Shear test procedure for disc brake pad and drum brake shoe assemblies

THS898-20

 

ISO6507-2

DIN EN ISO6507-2

Metallic materials - Vickers hardness test - Part 2: Verification and calibration of testing machines

THS71-10

ISO6872

DIN EN ISO6872

Dentistry - Ceramic materials

THS1620-16.5-1.6-ISO6872

TH238-5P-CWX5-Af159

ISO6892

DIN EN ISO 6892

Metallic materials - Tensile testing - Part 1: Method of test at room temperature

THS265-CSB12.5x75-20x175 (Type 1)

THS265-CSB20x90-32x210 (Type 2)

THS265-CSB20x80-30x180 (Type 1)

THS265-CSB20x120-30x270 (Type 1)

ISO7198

Cardiovascular implants and extracorporeal systems — Vascular prostheses — Tubular vascular grafts and vascular patches.

THS581-11.3-D9.5

 

ISO7206

Implants for surgery — Partial and total hip joint prostheses — Part 4: Determination of endurance properties and performance of stemmed femoral components. Gliding nail fatigue test.

THS879

ISO7389
DIN EN ISO7389

Building construction - Jointing products - Determination of elastic recovery of sealants

THS504

ISO7438

DIN EN ISO7438

Metallic materials — Bend test

 

TH238-3P-200-CXD30x40

TH103-FV-VDA238-100

THS260

THS1711

ISO7765

Plastics film and sheeting — Determination of impact resistance by the free-falling dart method

Part 1: Staircase methods

THS174-D125+G-P38.1+Ko

ISO7801

Metallic materials — Wire — Reverse bend test

TH3390

ISO/IEC7810

Identification cards - Physical characteristics

TH104-110

TH104-60

ISO7808

DIN EN ISO7808

Plastics - Thermosetting moulding materials - Determination of transfer flow

TH4220-D90+gde

ISO7864

DIN EN ISO7864

Tensile test fixture to test sterile hypodermic needles

THS1114

THS1180

ISO7886-1
DIN EN ISO7886-1

Sterile hypodermic syringes for single use - Part 1: Syringes for manual use

THS727-80

TH238-ISO9626

ISO7961

Aerospace — Bolts — Test methods

THS890

ISO8033
EN ISO8033

Rubber and plastics hoses — Determination of adhesion between components

TH256-SBPR-25x25-L103

ISO8067

Flexible cellular polymeric materials-Determination of tear strength

THS265-CHV12.7x102

ISO8256

Plastics — Determination of tensile-impact strength

THS265-CHB10x10 (Type 3)

ISO8295

DIN EN ISO8295

Plastics - Film and sheeting - Determination of the coefficients of friction

TH62-50

ISO8325

Dentistry — Test methods for rotary instruments

THS2079-V4

ISO8339

DIN EN ISO8339

Building construction - Sealants - Determination of tensile properties (Extension to break)

THS504

ISO8340
DIN EN ISO8340

Determination of tensile properties at maintained extension

THS504-52-12-77-36-5

ISO8490

Metallic materials - Sheet and strip - Modified Erichsen cupping test

THS805-1

ISO8493

DIN EN ISO8493

Metallic materials - Tube - Drift-expanding test

THS791

ISO8494

Metallic materials — Tube — Flanging test

THS791-120-D1060-Af110

ISO8496

Metallic materials — Tube — Ring tensile test

THS353-50x20-70x200-R (Similar)

ISO8510-1

Adhesives — Peel test for a flexible-bonded-to-rigid test specimen assembly — Part 1: 90 degree peel

TH50

ISO8515  

Textile-glass-reinforced plastics - Determination of compressive properties in the direction parallel to the plane of lamination

THS613

ISO8521

Glass-reinforced thermosetting plastic (GRP) pipes — Test methods for the determination of the initial circumferential tensile wall strength

TH109-250 (Test Method D)

ISO8536

Infusion equipment for medical use

THS472g-SV21+BVG12+TH231-4+THS42-R0.3V15-60

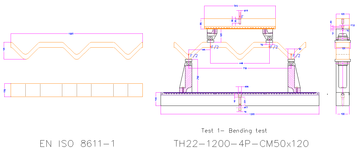
ISO8611-1
EN ISO8611-1

Pallets for materials handling — Flat pallets

TH22-4P-1200-CM50x120

ISO8627

Dentistry; Stiffness of the tufted area of tooth-brushes

THS63

ISO8895

DIN EN ISO 8895

Shaped insulating refractory products - Determination of cold crushing strength

THS223-196 + TH23-196

ISO9046

 

Building construction - Jointing products - Determination of adhesion/cohesion properties of sealants at constant temperature

THS504-52-12-77-30-5

ISO9073-5
DIN EN ISO9073-5

Textiles - Test methods for nonwovens - Part 5: Determination of resistance to mechanical penetration (ball burst procedure)

THS453-D44.45-R12.7

ISO9073-7

DIN EN ISO9073-7

Textiles - Test methods for nonwovens - Part 7: Determination of bending length

THS853-20

ISO9187-1
DIN EN ISO9187-1

Injection equipment for medical use - Part 1: Ampoules for injectables

TH238-B200-OR2-CWx

TH238-ISO9187-1

ISO9073-18

DIN EN ISO9073-18

 

 

Textiles — Test methods for nonwovens — Part 18: Determination of breaking strength and elongation of nonwoven materials using the grab tensile test

TH83+BG25

ISO9311-2

Adhesives for thermoplastic piping systems — Part 2: Determination of shear strength

THS1708

ISO9626

DIN EN ISO9626

Stainless steel needle tubing for the manufacture of medical devices - Requirements and test methods

THS1588-ISO9626-Ann.C

 

TH238+CR0.1V90-OR1-St

ISO9665
DIN EN ISO 9665

Adhesives - Animal glues - Methods for sampling and testing

THS42-F12.7R0.39-80 + TH23-56

ISO9836-1

DIN EN ISO9836-1

Geosynthetics - Determination of thickness at specified pressures - Part 1: Single layers

THS1597

ISO9895

Paper and board - Compressive strength - Short-span test

THS733-310 (manual)

THS733-310-V2-Af159+Ko (pneumatic)

ISO9969

Thermoplastics pipes — Determination of ring stiffness

TH36

ISO10059-1

Dense, shaped refractory products — Determination of cold compressive strength — Part 1: Referee test without packing

THS223-96 + TH23-196

THS689-20

ISO10059-2

Dense, shaped refractory products — Determination of cold compressive strength — Part 2: Test with packing

THS223-96 + TH23-196

ISO10319

DIN EN ISO10319

Geosynthetics - Wide-width tensile test 

TH135

THS668

ISO10354

DIN EN ISO10354

Adhesives – Characterization of durability of structural-adhesive-bonded assemblies – Wedge rupture test

THS1455-CH6.5x1-P3x25V60

ISO/IEC10373-1

 

Identification cards - Test methods - Part 1: General characteristics

TH104-110

TH104-60

ISO10406-1

Fibre-reinforced polymer (FRP) reinforcement of concrete — Test methods
Part 1: FRP bars and grids

TH22St-600-CX30+OX30
(flexural tensile test)

THS890-EZ12
(tranverse shear strength)

ISO10477
DIN EN ISO10477

Dentistry - Polymer-based crown and veneering materials

TH238+CX2+4+10

THS1680-V2-20x6

ISO10545

DIN EN ISO10545

Ceramic tiles - Part 2: Determination of dimensions and surface quality

TH22-360

ISO10555

Intravascular catheters — Sterile and single-use catheters
Part 1: General requirements

THS2031 + TH56k+BP

ISO10545-4

Ceramic tiles — Part 4: Determination of modulus of rupture and breaking strength

TH22-360-CWXD20x200-OWXD20x200

ISO10618

Carbon fibre — Determination of tensile properties of resin-impregnated yarn

TH126+BP

TH232+BP

THS1287-300+BP

ISO10619-1

Rubber and plastics hoses and tubing — Measurement of flexibility and stiffness
Part 1: Bending tests at ambient temperature

THS2040

ISO11040-4

Prefilled syringes — Part 4: Glass barrels for injectables and sterilized subassembled syringes ready for filling

THS1859

THS727-80

THS1180

ISO11040-6

Prefilled syringes
Part 6: Plastic barrels for injectables and sterilized subassembled syringes ready for filling

THS1180

ISO11070

Sterile single-use intravascular introducers, dilators and guidewires

THS2075

ISO11093-6

Paper and board — Testing of cores
Part 6: Determination of bending strength by the three-point method

TH22-1300-CWJV-D310x120

ISO11339

Adhesives — T-peel test for flexible-to-flexible bonded assemblies

THS1217-V40 + TH240k+BP

THS1217-V42 +TH94

ISO/TS11405

Dentistry — Testing of adhesion to tooth structure

THS543-190

ISO11499

Dentistry — Single-use cartridges for local anaesthetics

THS727-80 (Similar)

ISO11527

Buildings and civil engineering works — Sealants — Test method for the determination of stringiness

THS2013

ISO11542-2
DIN EN ISO11542-2

Plastics - Ultra-high-molecular-weight polyethylene (PE-UHMW) moulding and extrusion materials - Part 2: Preparation of test specimens and determination of properties

THS941

ISO11608-3

DIN EN ISO11608-3

Needle-based injection systems for medical use - Requirements and test methods - Part 3: Finished containers

THS1256-V1

ISO11644
DIN EN ISO11644

Leather - Test for adhesion of finish

THS1186-20

ISO11747

Rice — Determination of rice kernel resistance to extrusion after cooking

THS773-27.4x27.4

ISO11979-3
DIN EN ISO11979-3

Ophthalmic implants - Intraocular lenses - Part 3: Mechanical properties and test methods. Compression test.

THS1468

ISO12046

Synchronous belt drives — Automotive belts — Determination of physical properties

THS2049-D100 (6.2, tensile test)

THS90+THS2049-Bx-ISO12046
(6.3, 6.4, 6.5 adhesion and shear tests)

ISO12135

Metallic materials — Unified method of test for the determination of quasistatic fracture toughness

TH22-500-CN50-oX50

ISO12192
DIN EN ISO12192

Paper and board — Determination of compressive strength — Ring crush method

THS733-200-ISO12192

ISO12236

DIN EN ISO12236

Static puncture test on geotextiles

THS174-D150-F50-V2

ISO12402-Fig1
DIN EN ISO12402-Fig1

Standard for personal flotation devices

THS1205-9x1.6-Af20

ISO12625-5

DIN EN ISO12625-5

Tissue paper and tissue products - Part 5: Determination of wet tensile strength

THS779-2020-HL

ISO12625-9
DIN EN ISO12625-9

Tissue paper and tissue products - Part 9: Determination of ball burst strength

THS855-10

ISO13000-2-F2

Plastics - Polytetrafluoroethylene (PTFE) semi-finished products - Part 2 : preparation of test specimens and determination of properties

THS265-CHB5x12

ISO13007
EN ISO13007

Ceramic tiles — Grouts and adhesives — Part 1: Terms, definitions and specifications for adhesives

THS450

THS534


TH238-B300-CXH100-D10x60

THS1254-50-300x300

ISO13097-4
DIN ISO13097-4

Guidelines for the characterization of dispersion stability

THS1180

ISO13314

Mechanical testing of metals — Ductility testing — Compression test for porous and cellular metals

TH23-116-318-ith1 + THS223g-P156

ISO13445

Determination of shear strength of adhesive bonds between rigid substrates by the block-shear method

THS1399 (similar)

ISO13503-2

DIN EN ISO13503-2

Petroleum and natural gas industries -- Completion fluids and materials - Part 2: Measurement of properties of proppants used in hydraulic fracturing and gravel-packing operations

THS947

ISO13640

Buildings and civil engineering works - Sealants - Specifications for test substrates

THS504

ISO13779-4

Implants for surgery - Hydroxyapatite - Part 4: Determination of coating adhesion strength

THS625

ISO13934
DIN EN ISO13934

Textiles - Tensile properties of fabrics - Part 1: Determination of maximum force and elongation at maximum force using the strip method 

TH83

THS265-CHR50x260

ISO13936-1
DIN EN ISO13936-1

Textiles - Determination of the slippage resistance of yarns at a seam in woven fabrics - Part 1: Fixed seam opening method

TH240g+B25x25+B25x50

ISO13936-2
DIN EN ISO13936-2

Textiles - Determination of the slippage resistance of yarns at a seam in woven fabrics - Part 2: Fixed load method

TH240g+BP25x25+BP25x50

TH240k+BW30+BW50

ISO13936-3
DIN EN ISO13936-3

Textiles - Determination of the slippage resistance of yarns at a seam in woven fabrics - Part 3: Needle clamp method

THS1108

ISO13953

Polyethylene (PE) pipes and fittings – Determination of the tensile strength and failure mode of test pieces from a butt-fused joint

THS353-20-25-30-ISO13953-ISO6259-3

THS1086-110-30

ISO13954

Plastics pipes and fittings - Peel decohesion test for polyethylene (PE) electrofusion assemblies of nominal outside diameter greater than or equal to 90 mm

THS353-5x26-CH-Q

THS1086

ISO13956

Plastics pipes and fittings — Decohesion test of polyethylene (PE) saddle fusion joints — Evaluation of ductility of fusion joint interface by tear test

THS187-350-V3

ISO13968

Plastics piping and ducting systems — Thermoplastics pipes — Determination of ring flexibility

TH36

ISO14125
DIN EN ISO14125

Fibre-reinforced plastic composites - Determination of flexural properties

TH22-5P-240-CWLD4+D10

TH22-5P-CWR2+110 Fig 4

THS884+TH238+TH187

THS1498-5P-300-R2+R5-Af159

ISO14126
DIN EN ISO14126

Fibre-reinforced plastic composites - Determination of compressive properties in the in-plane direction 

TH121

THS613 (Method 1)

THS705+Ko  (Method 2)
 
THS321-250c-Hy + THS705-F100-Ko
 (Method 2)

THS793-ISO14126 (Method 2 Fig. C2)

ISO14129

Fibre-reinforced plastic composites - Determination of the in-plane shear stress/shear strain response, including the in-plane shear modulus and strength, by the +/- 45° tension test method

ISO14130
DIN EN ISO14130

Fibre reinforced plastic composites - Determination of apparent interlaminar shear strength by short beam-method

TH103-B220+AR2R5

THS884-ith2-Af159

THS1498-5P-300-R2+R5-Af159

ISO14272
DIN EN ISO14272

Resistance welding - Destructive testing of welds - Specimen dimensions and procedure for cross tension testing of resistance spot and embossed projection welds

THS1146

ISO14555
DIN EN ISO14555

Welding - Arc stud welding of metallic materials

THS1556

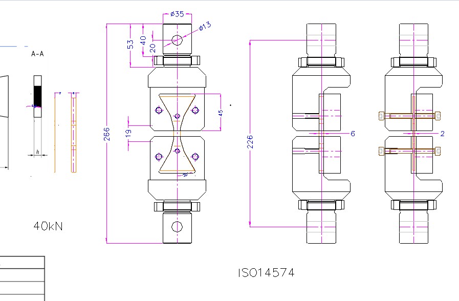
ISO14574

Fine ceramics (advanced ceramics, advanced technical ceramics) — Mechanical properties of ceramic composites at high temperature — Determination of tensile properties

THS474-8K40-ISO14574

ISO14589

Blind rivets - mechanical testing

THS871

ISO14704

Fine ceramics (advanced ceramics, advanced technical ceramics) — Test method for flexural strength of monolithic ceramics at room temperature

 

Hochleistungskeramik (Monolithische Keramik) — Prüfverfahren zur Bestimmung der Biegefestigkeit bei Raumtemperatur

TH238-3P/4P-ASTM-C1161-Af159

ISO14801

DIN EN ISO14801

Dentistry - Implants - Dynamic loading test for endosseous dental implants

Zahnheilkunde — Implantate — Dynamische Belastungsprüfung für osseointegrierte Dentalimplantate

THS543-170

THS1959

ISO14879-1

Implants for surgery — Total knee-joint prostheses
Part 1: Determination of endurance properties of knee tibial trays

Implantate für die Chirurgie — Knieendoprothesen — Teil 1: Bestimmung der Dauerfestigkeitseigenschaften von Knie-Tibiplateaus

 

 

THS879-V4

ISO14889

Ophthalmic optics — Spectacle lenses — Fundamental requirements for uncut finished lenses

Ophthalmische Optik — Brillengläser — Grundlegende Anforderungen an unrandete fertige Brillengläser

 

 

THS1895

ISO14916
DIN EN ISO14916

Thermal spraying - Determination of tensile adhesive strength

THS625

THS1514

ISO15024

Fibre-reinforced plastic composites
Determination of mode I interlaminar fracture toughness, GIC, for unidirectionally reinforced material

THS353-D8x20x15+Exx

ISO15107

Adhesives — Determination of cleavage strength of bonded joints

THS87-Af318+ E25x25T

ISO15113

Rubber – Determination of frictional properties

TH62-P270

ISO15114

Fibre-reinforced plastic composites — Determination of the mode II fracture resistance for unidirectionally reinforced materials using the calibrated end-loaded split (C-ELS) test and an effective crack length approach

THS1382-Am2510 (Method A, B)

ISO15310

Fibre-reinforced plastic composites — Determination of the in-plane shear modulus by the plate twist method

THS1498-5P-300-R2+R5-Af159

ISO15361

Pulps - Determination of zero-span tensile strength, wet or dry

THS1096

ISO15490

Fine Ceramics Tensile Strength

THS1591-20-9.8-R3-Af159

THS1433

ISO15630-1

Steel for the reinforcement and prestressing of concrete — Test methods — Part 1: Reinforcing bars, rods and wire

THS260-360-D60V20-OR3.75-OP2 Fig. 3

THS260-100-800-D50-ORxx-OP

ISO15630-2
DIN EN ISO15630-2

Steel for the reinforcement and prestressing of concrete - Test methods - Part 2: Welded fabric and lattice girder 

THS290-10 

THS290-21

THS290-30

THS290-40

THS290-50

ISO15747

Plastic containers for intravenous injections

THS42-R0.3-15

ISO15754

Paper and board — Determination of z-directional tensile strength

THS1456-20

ISO16572

Timber structures — Wood-based panels — Test methods for structural properties

THS674-V1-2

ISO16630

Metallic materials — Sheet and strip — Hole expanding test

THS145-25-40-25

ISO16770

Plastics - Determination of environmental stress cracking (ESC) of polyethylene - Full-notch creep test (FNCT)

THS1270

ISO16840

Testing of wheelchair cushions performance

THS1463-360x500-R127

ISO17454

Plastics piping systems - Multilayer pipes - Test method for the adhesion of the different layers using a pulling rig

TH3-13-S-Af159

ISO17697
DIN EN ISO17697

Footwear - Test methods for uppers, lining and insocks - Seam strength

THS1205

ISO17708

Footwear — Test methods for whole shoe — Upper sole adhesion

THS1148-OT + THS470

ISO17712

Freight containers — Mechanical seals

THS353-12.7x25.4

ISO18352

Carbon-fibre-reinforced plastics — Determination of compression-after-impact properties at a specified impact-energy level

THS818-70 (Similar)

ISO18488

Polyethylene (PE) materials for piping systems
Determination of Strain Hardening Modulus in relation to slow crack growth

THS265-CHB4x16-20x70

ISO18489

Polyethylene (PE) materials for piping systems — Determination of resistance to slow crack growth under cyclic loading — Cracked Round Bar test method

TH179

ISO19095-3

Plastics - Evaluation of the adhesion interface performance in plastic-metal assemblies - Part 3: Test methods

THS1582-V2-H100

ISO19642-2

Road vehicles — Automotive cables

THS1629

ISO19736
DIN ISO19736

Dentistry - Bonding test between polymer teeth and denture base materials

THS1959-ISO19736

ISO19927

Fibre-reinforced plastic composites — Determination of interlaminar strength and modulus by double beam shear test

TH238-3P/4P-CR3-ith1-Af20

TH103-ISO19927

ISO19958

Footwear — Test methods for heels and top pieces — Top piece retention strength

THS1378-50

ISO20126
DIN EN ISO20126

Dentistry — Manual toothbrushes — General requirements and test methods

THS341-10-K + THS63-10

ISO20344
EN ISO20344

Personal protective equipment. Test methods for footwear

THS1380-20 Fig.13

 THS1148-20 Fig.19

THS1148-OT+THS470-Af20
(ISO20344-Fig.5)


THS1544-V21

THS1544-V23

ISO20482

DIN EN ISO20482

Testing of metals; Erichsen cupping test on sheet and strip metal having a width of >= 90 mm; Thickness range: 0.2 mm to 2 mm

THS145-D27-R10

THS145-D11-R4

ISO20795-1

DIN EN ISO20795-1

Dentistry - Artificial teeth for dental prostheses

THS1447-S12 + TH227+BP25-Af20

ISO20875

Footwear — Test methods for outsoles — Determination of split tear strength and delamination resistance

THS470

ISO20932-1
EN ISO20932-1

Textiles. Determination of the elasticity of fabrics. Strip tests.

TH227-B80-BLCR3 (Strip test)

ISO20932-2

Textiles - Determination of the elasticity of fabrics - Part 2: Multiaxial tests

THS1541-120-156-R114.4+R50

THS353-6x80-Al (Loop test)

ISO21182
DIN EN ISO21182

Light conveyor belts - Determination of the coefficient of friction 

TH62-40

ISO21809-3

Petroleum and natural gas industries — External coatings for buried or submerged pipelines used in pipeline transportation systems — Part 3: Field joint coatings. Annex H (peel strength test).

TH3-280

ISO22088

Plastics — Determination of resistance to environmental stress cracking (ESC)

THS1693

ISO22112
DIN EN ISO22112

Dentistry - Artificial teeth for dental prostheses

THS1447-S12 + TH227+BP25-Af20

ISO22254
DIN EN ISO22254

Dentistry - Manual toothbrushes - Resistance of tufted portion to deflection

THS63

ISO22407

Metallic materials — Fatigue testing — Axial plane bending method

TH103-4P-V21-300+DF-CX5-10-GDE

ISO22568-3

Foot and leg protectors — Requirements and test methods for footwear components Part 3: Metallic perforation resistant inserts

THS1544-V21

ISO22568-4

Foot and leg protectors — Requirements and test methods for footwear components
Part 4: Non-metallic perforation resistant inserts

THS1544-V21

ISO22631

Adhesives for floor and wall coverings Peel test

TH192-D20-A26-W57-Af159

THS989-90x60-HR
(roller)

ISO22632

Adhesives for floor and wall coverings Peel test

THS989-90x60-3.5 (roller)

ISO22650

Footwear — Test methods for whole shoe — Heel attachment

THS1378-40 Fig.2

ISO23910
DIN EN ISO23910

Leather - Physical and mechanical tests - Measurement of stitch tear resistance

THS694-10

ISO23936-2-B.2

DIN EN ISO23936-2-B.2

Petroleum, petrochemical and natural gas industries - Non-metallic materials in contact with media related to oil and gas production - Part 2: Elastomers 

THS1512-325

ISO24343
DIN EN ISO24343

Resilient and laminate floor coverings — Determination of indentation and residual indentation

TH23-11.28-Af159-ST

THS42-F11.3-125-Af159

ISO29022
DIN EN  ISO29022

Dentistry - Adhesion - Notched-edge shear bond strength test

THS633-540-V5

ISO29862
DIN EN ISO29862

Self adhesive tapes - Determination of peel adhesion properties

THS989-95x45-HR

TH49

TH50 (90° peel test)

ISO29864
EN ISO29864-Method-B

Self adhesive tapes - Measurement of breaking strength and elongation at break

THS919-100

ISO80369-7

Small-bore connectors for liquids and gases in healthcare applications

Part 7: Connectors for intravascular or hypodermic applications

THS1180

info@grip.de

 

VP 15 Apr 2026

 

TOP