|
Grip-Engineering
info@grip.de
|
Geotextiles
Back
|
|
|
|

|
TH135-60
Hydraulic grip
Clamping force 60 kN
Hydraulisches Spannzeug
Spannkraft 60 kN
more
|
|

|
TH135-180
Hydraulic grip
Clamping force 180 kN
Hydraulisches Spannzeug
Spannkraft 180 kN
more
|
|

|
THS804-V22
Special hydraulic grip with 1 piston
Perfect for testing geotextiles
according to ASTM-D6637
Max. tensile load: 250 kN
Max. clamping force: 500 kN at 450 bar
more
|
|

|
TH208
Wedge grips
Max. load 250 kN and 350 kN
Keilspannzeug
Max. Kraft 250 kN und 350 kN
more
|
|

|
THS90
+ BW + B25.4x25.4 + B50.8x25.4-Af3816
Screw
action grip
with
blank jaws 25.4x25.4 mm
and
50.8x25.4 mm (ASTM-D4632 geotextile grab test)
Coupling
Af38
|
|

|
TH149-BG50.8x25.4-ASTM-D4632
Special
rubber-coated jaws for TH149
Clamping
surface 50.8x25.4 mm
Suitable
for testing grab breaking load and elongation of geotextiles
according to ASTM-D4632
|
|

|
THS174
Puncture fixture for geotextiles, plastic
films, protective clothing according to ASTM D6241-B, GOST 56335, DIN EN ISO
12236, ASTM D5748, etc.
Max. load 50 kN
more
|
|

|
THS145-45
Puncture resistance fixture for geomembranes according to
ASTM-D4833, GOST-R56586
more
|
|

|
THS1679-102-P50-Af159
Special
puncture fixture for testing ball burst for shade nets (HDPE Woven nets)
Probe with
plastic ball, diameter 50 mm
Holder with
hole 102 mm diameter
more
|
|

|
THS1037
Compression shear test fixture
according to ASTM-D1037-Fig.31
Druckscherprüfvorrichtungfür Holzfaser
more
|
|

|
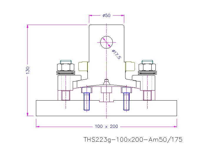
THS223g-100x200-Am50-GOST-R56336
Special compression platen to test resistance
to repeated loading of geosynthetics for automobile roads according to
GOST-R56336
Специальная
плита для
испытания
на сжатие
геосинтетических
материалов
для
автомобильных
дорог по
ГОСТ-Р56336
Sonder Druckplatten zum Testen von
Geotextilien für Straßenbau gemäß GOST-R56336
|
|

|
THS223g-Mold-300x300x75
Mold for geosynthetics testing according to GOST-R56336
more
|
|

|
THS668-W200-4scr-GOST32491
Geosynthetics
Tensile test with wide strip textile
according to GOST32491
Max. load 400 kN
more
|
|

|
TH240k+BP100
Tensile test grips to determine average bonding
peel strength between the top and bottom layers of needle-punched
geosynthetic clay liners according
to ASTM-D6496
|
|

|
THS1597
Special fixture to test thickness of
geotextiles at specified pressures according to DIN EN ISO9836-1
Sondervorrichtung zur Bestimmung der
Dicke von Geotextilien unter festgelegten
Drücken gemäß DIN EN ISO9836-1
more
|
|
info@grip.de
LX 03 Jul 2024
|
TOP
|