Grip-Engineering

info@grip.de

Standard

Description

Fixture

ABNT

 

 

ABNT NBR5916

Shear resistance test for welded steel for reinforced concrete

THS290-1-5-16

ABNT NBR6737

Corrugated fibreboard - Determination of edwise compressive strength

THS733-W100-H63

ABNT NBR9952 

Asphaltic membrane for waterprofing

THS260-360-D25 (bend test)

TH240k+BP50 + THS2009-V2
(tear testing)

TH23-120 + THS42-F3-L25 + THS20k09-D3 (perforation test)

ABNT
NBR15557

Tire inner tubes - Requirements and test methods

THS265-CHB4x25 Fig.3

THS265-CHB6x33 Fig.2

THS265-CHV12.5x100 (Fig.4)

 

 

 

ASME

 

 

ASME-Sec-IX

Qualification standard for welding, brazing, and fusing procedures; welders; brazers; and welding, brazing, and fusing operators

THS353-30-30-Am50175-R

 

 

 

Adidas ST

 

 

ST-04

Stitch Tear Resistance

THS694-10

ST-05

Footwear - Test methods for uppers, lining and insocks - Seam strength

THS1205

 

 

 

AiTM

 

 

AiTM1-0008

Fibre Reinforced Plastics – Determination of Plain, Open Hole and Filled Hole Compression Strength. 

THS613

AiTM1-0009

Bearing Properties of Fiber-Reinforced Plastics by Bolt Bearing Configuration

THS396-SP60-E6.4-12.8

AiTM1-0010

Airbus compression after impact test

THS818

 

AiTM1-0075

Airbus compression after impact test

THS2060 (Similar)

AiTM1-0076

 

Fibre reinforced plastics – Determination of compression and tension strength after edge impact

THS1407-75-125-R8

AITM1-0077

determining the compression strength of composite materials after impact

THS818-80

 

 

 

AIA/NAS

 

 

NASM1312-13

Fastener Test Methods-Method 13 Double Shear Test

THS890-UC6.4 + TH23-96

NASM1312-20

Fastener test methods,method 20,single shear

THS1223-50 + TH23-56-Af318-ST

 

 

 

ANSI

 

 

ANSI-A118.1

American national standard specifications for dry-set portland cement mortar

THS534

ANSI-A118.3

Specifications for chemical resistant, water cleanable tile-setting and grouting epoxy adhesive

THS608-2P-108x108-B240 (Similar)

ANSI-A118.4

Specifications for modified dry-set cement mortar

THS608-2P-108x108-B240

ANSI-A118.12

American national standard for Crack Isolation Membranes for thin-set ceramic tile and dimension stone installations

THS2061

 

 

 

API

 

 

API RP56

Recommended Practices for Testing Sand Used in Hydraulic Fracturing Operations

THS947

API RP19C

Measurement of and Specifications for Proppants Used in Hydraulic Fracturing and Gravel-packing Operations

THS947-D12.7-F300

 

 

 

AWS

 

 

AWS D8.1M

Specification for Automotive Weld Quality - Resistance Spot Welding of Steel

THS1146-V6-50x100

AWS D8.9M

Test Methods for Evaluating the Resistance Spot Welding Behavior of Automotive Sheet Steel Materials

THS1146-V6-50x100

 

 

 

BISFA

 

 

BISFA-E12

Determination of static adhesion of steel tyre cords to rubber compound

THS706-BISFA-E12

 

 

 

BOEING

 

 

Boeing BSS-7260

Post-impact compressive strength of composite laminates

THS793-ASTM-D695-Fig.4

 

 

 

BS

 

 

BS826
BS EN826

Thermal insulating products for building applications. Determination of compression behaviour

THS223k+TH36-100-oZR-Am317-AL

BS898-1

BS EN ISO898-1

Mechanical properties of fasteners made of carbon steel and alloy steel -- Part 1: Bolts, screws and studs with specified property classes -- Coarse thread and fine pitch thread

THS659-1000

THS786-70

BS2782-3

Methods of testing plastics. Mechanical properties. Tensile strength, elongation and elastic modulus

THS174-D125+G-P38.1+Ko (Similar)

BS3084

Slide fasteners (Zips). Specification

THS323-50 (Annex E)

TH240k+BP25.4 (Annex G)

BS4449 

Steel for the reinforcement of concrete. Weldable reinforcing steel. Bar, coil and decoiled product. Specification

THS260-F250-500-D50V90-oR30

BS4483

Steel fabric for the reinforcement of concrete. Specification

THS290-21

BS5757

Method for determination of stiffness of the tufted area of toothbrushes

THS63

BS6319-7

Testing of resin and polymer/cement compositions for use in construction. Method for measurement of tensile strength

THS474-F50

BS7774

Threaded fasteners: axial load fatigue testing

THS659-250-10xM14-TK120

BS EN12242

Touch and close fasteners. Determination of peel strength

THS989-95x45-HR

BS EN1279-6

Glass in building. Insulating glass units Factory production control and periodic tests

THS353-C6x12-Am158-C32x35
(spacer-spacer sample)

THS353-Q6-Am158-C32x35
(glass-glass sample)

BS12814-1

Testing of welded joints of thermoplastics semi-finished products - Part 1: Bend test

TH103-FV-V26

BS EN14891

Liquid applied water impermeable products for use beneath ceramic tiling bonded with adhesives. Requirements, test methods, assessment and verification of constancy of performance, classification and marking

THS1168-Am1665

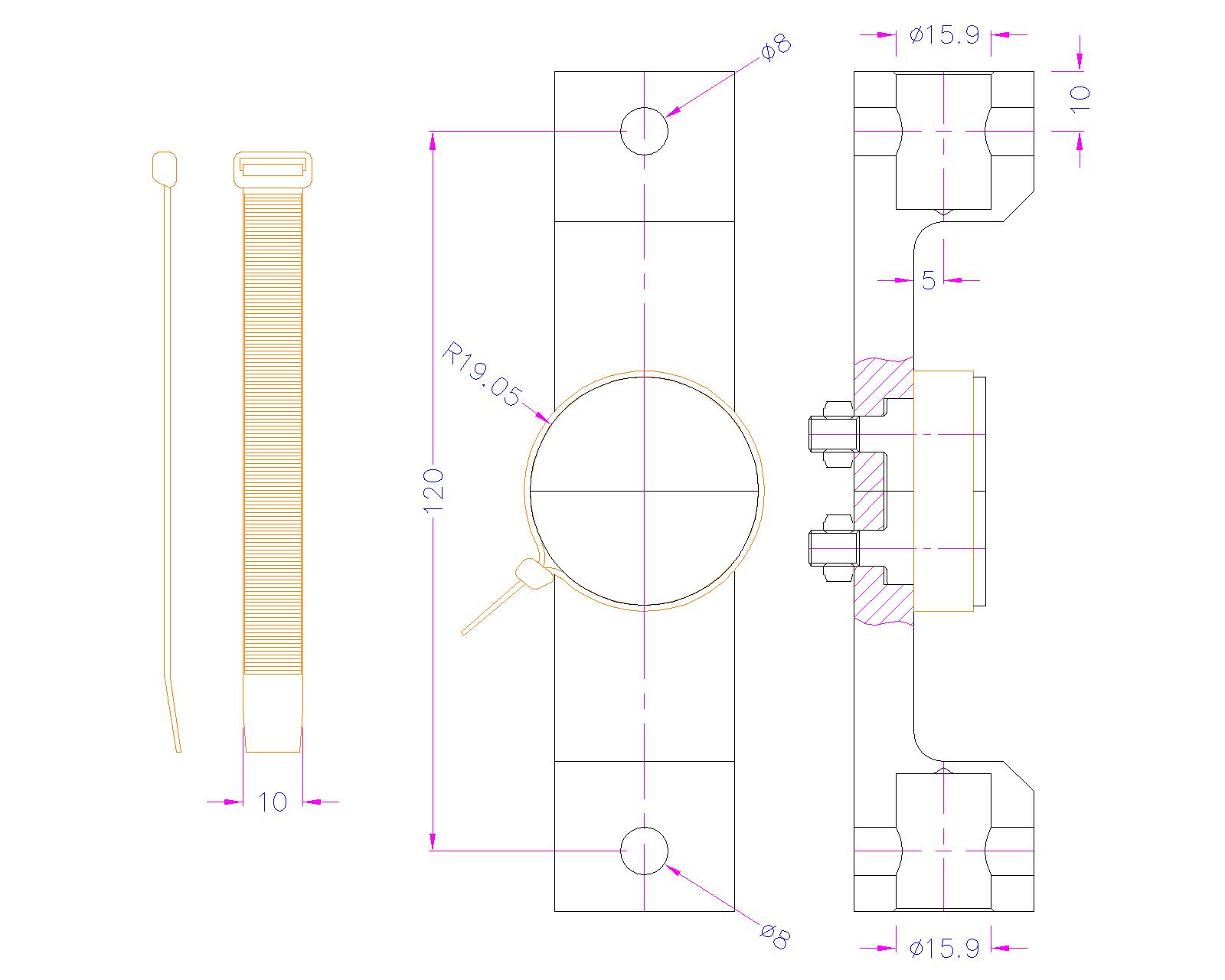
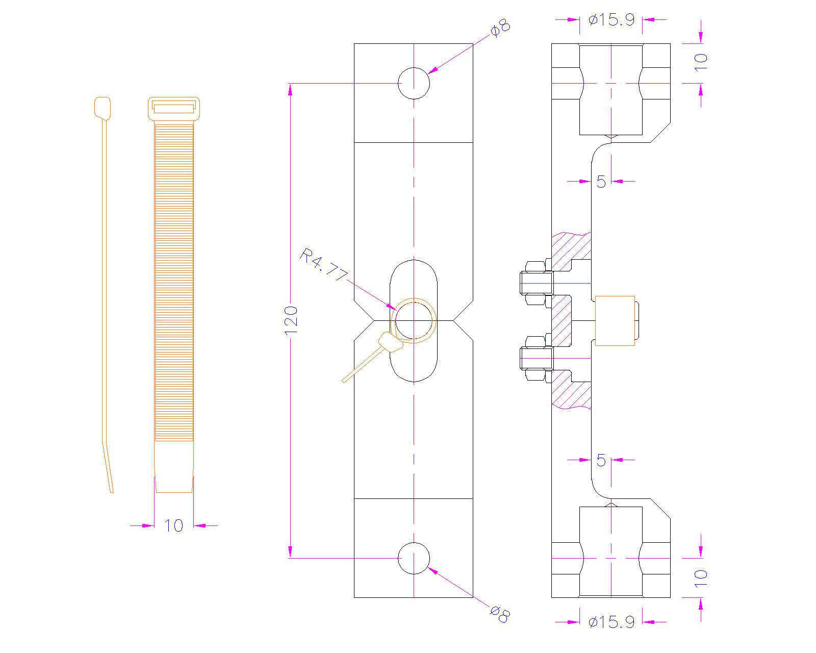
BS EN62275

Cable management systems. Cable ties for electrical installations

THS43-10+HR19.05

SANS

SANS 62930:2021

Electric cables for photovoltaic systems with a voltage rating of 1,5 kV DC

THS1131-Ins-V90-L75

CEN/TS

CEN/TS17394-3

Textiles and textile products - Part 3: Safety of children's clothing - Security of attachment of metal mechanically applied press fasteners

THS807-S25 Fig.1 (Similar)

DVS/EFB

 

 

DVS/EFB 3480-1

Testing of properties of joints - Testing of properties of mechanical and hybrid (mechanical/bonded) joints

THS28-5xM18

 

DIN-DVS2203-5

Testing of welded joints of thermoplastics plates and tubes - Technological bend test

THS260-100-360-D50-OR12.5-Af20

DVS2203-6

Testing of joints between polymeric materials - Shear and peeling tests

THS2069-Af20

 

 

 

ECE

 

 

ECE R1

Regulation No 16 of the Economic Commission for Europe of the United Nations (UN/ECE) —
Uniform provisions concerning the approval of:
I. safety-belts, restraint systems, child restraint systems and Isofix child restraint systems for
occupants of power-driven vehicles
II. vehicles equipped with safety-belts, restraint systems, child restraint systems and Isofix
child restraint systems

THS1717 + THS806-101.6-10

 

 

 

FEICA Standards

 

 

TM-1013

Determination of the Movement Capability of an OCF. Canister Foam.

THS608-2P-142x100

TM-1018

Tensile Strength of an OCF Canister Foam

TH16-64-84-13-10-36-200

FEFCO

FEFCO-Method 5

Determination of the strength of the manufacturers joint of corrugated fibreboard containers (compression method)

THS1898

 

 

 

FINAT

 

 

Finat-FTM1

Peel adhesion (180°) at 300mm per minute

TH49

Finat-FTM3

Low speed release force

TH49

Finat-FTM4

High speed release force (10 - 300 m per minute)

TH49

Finat-FTM6

Testing the resistance of self-adhesives to ultraviolet light.

THS989-85x50-HR-Finat-std-S46

Finat-FTM9

Loop tack

THS864-10

 

 

 

Fiat
Standards

 

 

FCA-7.M9000

Fiat-Lancia technical standard used in the automotive industry for testing the tribological properties (friction characteristics) of flocked materials.

TH62-P350x170

 

 

 

GB

 

 

GB19976

Determination of bursting strength

THS453-D44.45-R12.7

GTF/Afera

GTF 6004
(Afera 5001)

Measurement of Peel Adhesive from Stainless Steel or from its Own Backing ISO29862 – EN 1939

THS989-95x45-HR

 

 

 

IEC

 

 

IEC60641-2

Pressboard and presspaper for electrical purposes - Part 2: Methods of tests

THS90 (tensile test, mechanic)

THS126 (tensile test, pneumatic)

TH23-56 (compression test)

IEC60763-2

Specification for laminated pressboard –

Part 2: Methods of test

TH22-360-CWER5v10-OWR5

IEC60794-1-21

Optical fibre cables – Part 1-21: Generic specification – Basic optical cable test procedures –Mechanical test methods

THS2006-V1 (Test method E3A)

THS2006-V2 (Test method E17A)

THS2006-V3 (Test method E17B)

IEC60903

Live working – Electrical insulating gloves

THS145-D25-R08V24

IEC62137-1

Surface mounting technology – Environmental and endurance test methods for surface mount solder joint – Part 1-1: Pull strength test

THS607-50

IEC62275

Cable management systems - Cable ties for electrical installations

THS43-10+HR4.77

THS43-10+HR19.05

 

 

 

IKEA

 

 

IKEA IOS-TM-0057

Test method for mechanical/physical requirements, screw holding in boards.

Surface and edge screw holding. Fig. 3, 7.

 

THS1449-30+HL20x120 (Fig.3)

THS1449-30-HL122x120 (Fig.7)

 

 

 

 

 

 

 

IS

 

 

IS 2770-1

Methods of testing bond in reinforced
concrete, Part 1: Pull-out test [CED 2: Cement and
Concrete]

THS1636 + TH109-250

IS 15477

Adhesives for Use with Ceramic Tiles and Mosaics

THS608-2P-108x108-B240

IS 17043-2

Specification Part 2 Shoes for General Purpose

THS174-D25R2-R3-W130

 

 

IPC

 

 

IPC-TM-650

Performance of Bonded, Fused, and Laminated Apparel Fabrics (Withdrawn 2021)

TH3-152

IPC/JEDEC-9702

Monotonic Bend Characterization of Board-Level Interconnects

TH238-4P-300-CWR3x150

 

 

JIS

 

 

JIS-C2107

Methods Of Test For Pressure-sensitive Adhesive Tapes For Electrical Purposes

THS989-95x45-HR

JIS-Z2201

Test pieces for tensile test for metallic materials

THS265-CSB25x70-40x250
(Similar. Sample 54)

JIS-K6251

Rubber, vulcanized or thermoplastic - Determination of tensile stress-strain properties

THS265-CHB4x16 (Type 8)

THS265-CHB4x25 (Type 6)

THS265-CHB5x20-R11 (Type 3)

THS265-CHB5x20-R40 (Type 4)


THS265-CHB6x33 (Type 5)

THS265-CHB10x20  (Type 2)

THS265-CHB10x40  (Type 1)

THS265-CHB2x12-6x35 (Type 7)

JIS-K6251-1

Rubber, vulcanized or thermoplastic-Determination of tensile stress-strain properties

THS265-CHB10x40 (sample cutter)

JIS-K6252-1

Rubber, vulcanized or thermoplastic - Determination of tear strength

THS265-CHV12.7x102 Fig.2

JIS-K6400-5

Flexible cellular polymeric materials - Physical properties - Part 5: Determination of tensile strength, elongation at break and tear strength

THS265-CHB10x40 (Fig.3-2)

THS265-CHB13x55 (Fig.2-1)

JIS-K6935-2

Plastic-fluoropolymer Dispersion, molding and extrusion materials- Part 2: How to make test pieces and how to obtain various properties

THS265-CHB5x12

JIS-K7113

Testing Method for Tensile Properties of Plastics

THS265-CHB6x33 Fig.3

THS265-CHB10x60 Fig.2 (Type 1)

JIS-K7127

Plastics - Determination of tensile properties - Part 3: Test conditions for films and sheets

THS265-CHB6x33 Fig.2

THS265-CHB10x60 Fig.3

JIS-K7137

Plastics - Polytetrafluoroethylene (PTFE) semi-finished products - Part 1: Requirements and designation

THS265-CHB5x12

THS265-CHB6x33 B

JIS-K7139

Plastics - Test specimens

THS265-CHB6x33

THS265-CHB10x60 (Type A2)

THS265-CHB10x80 ( Type A1)

JIS-K7161

Tensile test methods for plastics

THS265-CHB10x60 (1B)

THS265-CHB10x80 A1

JIS-K7161-2

Plastics - Determination of tensile properties - Part 2: Test conditions for moulding and extrusion plastics

THS265-CHB5x30

THS265-CHB10x60 1B

THS265-CHB10x80 1A

THS265-CHB2x12-6x35 (5B)

JIS-K7162

Plastics - Determination of Tensile Properties - Part 2: Test Conditions for Moulding and Extrusion Plastics

THS265-CHB10x80 A1

THS265-CHB10x60 (1B)

JIS-Z0237

Testing methods of pressure-sensitive adhesive tapes and sheets

THS989-95x45-HR

JIS-Z1707

General rules of plastic films for food packaging

THS1441-10

 

 

 

JEDEC

 

 

JESD22B113

Board level cyclic bend test method for interconnect reliability characterization of SMT ICs for handheld electronic products

THS713-4P-4F-4x77-Af159

THS713-4P-3F-3x79-Af159

IPC/JEDEC-9702

Monotonic Bend Characterization of Board-Level Interconnects

TH238-4P-300-CWR3x150

 

 

 

LV

 

 

LV112-1

Electrical cables for motor vehicles. Single-core, unshielded. Sliding properties of electrical cables for motor vehicles.

THS973-20 (Fig. 3)

THS1131-UT75+OFD0.5-Af159 (Fig.5)

 

 

 

MIL-STD-3010A

 

 

MIL-I-19166C 

Military specification: insulation tape, electrical, high-temperature, glass fiber, pressure-sensitive

THS989-95x45-HR

MIL-STD-401

Sandwich Constructions and Core Materials; General Test Methods

TH22-360-5P-WNJ30xR3

MIS-STD-1312-20

Fastener test methods,method 20,single shear

THS1223-50 + TH23-56-Af318-ST

MIL-STD-3010A-Method2065

Military packaging materials. Puncture resistance test.

THS1550

MIL-DTL-6396F

Detail specification:Tanks, fuel, oil, cooling fruids, internal, removable non-self-sealing

THS1544-76.2R2-7.92R0.25

THS174-44-Af159

MIL-P-25690

Plastic, Sheet and Formed Parts, Modified Acrylic Base, Monolithic, Crack Propagation Resistant

THS1399-V2.1+ER26x26-B10

 

 

 

NFP

 

 

NFP84-507

Determination of the resistance to static punching of geomembranes and geomembrane sealing devices

THS145-D45-F8

 

 

 

NFT

 

 

NFT54-605

Shear properties of sandwich core materials

TH193-V4

NES

NES-M0076

Automotive Carpet Test Methods - Tensile Strength and Elongation Test Method

THS1067-30

OST1

 

 

OST1-90016

Adhesion properties. Method to determine strength during non-uniform separation.

THS1440

OST92-1472

Heat-shielding design and design purpose plastic materials. Layer shear test methods on plastics.

THS1440

 

 

 

PSA

 

 

PSA-GEN-RUB_ST-628-001

Resistance to perforation

THS581-1 K9-2,5-PSA

PSA B25_1110_ind_C

Conventional electrical conductors

THS1629

 

 

 

PSTC

 

 

PSTC-16

Loop tack

THS864

PSTC-101

Peel Adhesion Test Equipment for Pressure-Sensitive Tape

THS989-95x45-HR

 

 

 

PV Volkswagen Test Standard

 

 

PV2034

Non-metallic planar materials.
Floating roller peel test

TH192-20-26-W57

PV3960

Dashboard - Indentation depth measurement (hardness) using a universal testing machine

THS813-31-D20-R9.5

 

 

 

SACMA

 

 

SACMA-SRM1-Fig.1

 

THS793-SACMA-SRM1-1

SACMA-SMR1-Fig.2

 

THS793-SACMA-SRM1-2

 

 

 

TAPPI

 

 

TAPPI-T470

Edge Tearing Resistance of Paper

THS981-70-Af159 (Similar)

TAPPI-T809

Flat crush of corrugating medium (CMT test)

THS733-320 (sample preparation)

TAPPI-T231

Zero-span breaking strength of pulp
(dry zero-span tensile)

THS1096

TAPPI-T456

Tensile breaking strength of water-saturated paper and paperboard

THS779-2020

TAPPI-T494

Tensile testing of paper and paperboard

TH229+BLC

TH240k+BLC

TAPPI-T541

Internal bond strength of paperboard (z-direction tensile)

TH23-28.66+THS223k-96-St

THS1456-20

TAPPI-T549

Coefficients of static and kinetic friction of uncoated writing and printing paper by use of the horizontal plane method

TH62-M

TAPPI-T808

Flat crush test of corrugated board
(flexible beam method)

THS733-200

TAPPI-T811

Edgewise compressive strength of corrugated fiberboard (short column test)

THS733-200

TAPPI-T818

Ring crush of paperboard (flexible beam method)

THS733-200

TAPPI-T821

Pin adhesion of corrugated board by selective separation

THS1151

TAPPI-T822

Ring Crush of Paperboard (Rigid Support Method)

THS733-200-ISO12192

TAPPI-T825

Flat Crush Test of Corrugated Board (Rigid Support Method)

THS265-CHS79.8

TAPPI-T829

Relative quality of scores in corrugated containers

THS1276-G27-B1.6-101.6

TAPPI-T837

Measuring the Bond Strength of a Glued Manufacturer's Joint

THS1266-20-pl38x43-Af318

TAPPI-T838

determine the edgewise compressive strength of corrugated fiberboard using the edge crush test using neckdown

THS733-330

TAPPI-T839

determine the edge compression strength of corrugated fiberboard using the clamp method

THS733-100

Toyota

 

 

BSDL2104

Test methods for seat fabrics with regard to items concerning initial quality

THS1995-D50-R10-Am158

BSLD3600 7.7

Rigidity test on carpets and textiles

THS1674

 

 

TSO

 

 

TSO-C69c

Emergency evacuation slides,ramps, ramp/slides, and slide/rafts

THS1544-76.2R2-7.92R0.25

 

 

UNE

 

 

UNE40413

Textiles. Fabric tear strength by punching elements.

THS1477-10

UNE56534

Physical-mechanical characteristics of wood. hardness determination

THS42-F30-40

UNE56543

Shear testing

TH17

 

 

 

UNI

 

 

UNI5421

Textiles: Determination of Perforation Resistance by Ball Method

THS145-34-25-20-UNI5421

UNI8279-11

Nonwovens - Test Methods - Determination of Perforation Resistance By Ball Method

Nontessuti Determinazione della resistenza alla perforazione con il metodo della sfera (Italian standard)

THS145

VDA

 

 

VDA238-100

Plate bending test for metallic materials

TH103-VDA238-100

TH22St-B240+FV-D30-M20

VDA230-209

Leather and Plastic Roll Stock and Textiles for Motor Vehicle - Determination of Flexural Properties

THS1445-V4

VDG

VDG-P340

Wedge penetration test - grey cast iron and compacted graphite cast iron

THS459-60

 

 

 

VDI

 

 

VDI2019

Testing the adhesion of thermoplastic elastomers (TPE) on substrates

TH50-S62-VDI2019

 

 

 

Last update:
LX 17 Feb 2026

T O P

info@grip.de