Grip-Engineering

info@grip.de

Concrete

Back

 

tn_THS290-1  16mm crossbar-

 

THS290-1-3-16

 

Shear test fixture to test reinforced concrete elements according to

ASTM-C1452, DIN488-5

  

more

THS290-10-DIN-EN-ISO15630-2-ASTM-C1452Steel_for_the_reinforcement_and_prestressing_of_concrete_01

THS290-10

 

Shear test fixture to test reinforced concrete elements according to

DIN EN ISO15630-2, ASTM-C1452

 

more

THS290-30-E16-20


THS290-30

Shear test fixture to test reinforced concrete elements
according to
DIN EN ISO15630-2

For samples 4-16 mm Ø

TH290-50-250-16-32-AfM30 ISO15630-2 G03 Shear steel reinforced concrete 23.15kg_2445

TH290-50-250-16-32-AfM30-ISO15630-2

 

Shear test fixture to test reinforced concrete elements
according to DIN EN ISO15630-2


more

THS223b-220-AmPGT70_TH23-246-Am25

THS223b-220-AmPGT70
+
THS223b-Ad-c-1000kN
+
TH36-D246


Special fixture for testing compressive strength of hardened-concrete
according to EN12390-4

Upper spherically seated compression platen self-aligning and fixable 220 mm Ø

Max. load 1000 kN

Steel, hardened, nickel coated

Coupling Am70

THS162-1060-V3-GT+Exx  4,2kg DIN EN10080 Reinforced 05 (1)

 

 

THS162-1060-V3-EN10080

 

Shear test fixture for weldable reinforcing steel according to DIN EN10080

more



THS756-V20-GT150-AM55x160+EXXX-GOST10922 shear grip1

THS756-V20

Special chuck grip for shear tests on welded reinforcing products according to  GOST10922 Fig.3

more

THS765-10-o-0931Se 12.02.2020

THS765

Chuck grip according to GOST1497, VAF8F/01  FA31474A, ASTM-A370, ASTM-E8, ASTM-B557


more

tn_THS1087-ASTMB406 ISO3327-cemented carbides rupture strength

THS1087

 

Transverse rapture fixture to test cemented carbides
according to ISO3327 and ASTM-B406

 

more

TH103-4P-330-CWX10x50-WDF + ITH1 12-assembly

 

TH103-4P-B330-CWEX10-Af159-EN1170-4

4-point steel bending fixture
according to DIN EN1170-4

Beschreibung: Beschreibung: Beschreibung: Beschreibung: Beschreibung: Beschreibung: Beschreibung: Beschreibung: Description: Description: Description: Description: Description: Description: pdf_icon.gif TH103-EN1170-4-5 Datasheet.pdf

Beschreibung: Beschreibung: Beschreibung: Beschreibung: Beschreibung: Beschreibung: Beschreibung: Beschreibung: Description: Description: Description: Description: Description: Description: pdf_icon.gif TH103-EN1170-4-5 Datenblatt.pdf


more

tn_THS903-10-ASTM-C1550+MD5-1000-xc biax 3+1 bending 103 kg 2019-06-01-

THS903-10

Special 3+1 biaxial bend test fixture
for fiber reinforced concrete
according to ASTM-C1550


more

THS828-4P-500-D30x152-Af5025-ASTM-C1609-xd 2021-07-03

THS828

Universal bend test fixture
Applicable for testing pipes (EN1293-5-5.4), fibre-reinforced concrete
(ASTM-C1609), etc.

more

THS260-360-D60V20-OR3.75-OP20-ISO15630-1-_Armierung-von-Stahlbeton_Steel-rebar-rebending_test_02_2023-10-18_01

THS260-360-D60V20-OR3.75-OP20-ISO15630-1

 

Rebending test on wires and bars for reinforced concrete
according to ISO15630-1 Fig. 3

 

More

THS1709+DIN53769-1-fig.3-7.76kg_2021-04-12

THS1709-DIN53769-1-fig.3

Testing of glass fibre reinforced plastics pipes; determination of the longitudinal shear strength of type B pipe fittings according to  DIN53769-1-fig.3

THS1710-ASTM-C1812  2021-07-10

THS1710

Reinforced concrete beam test
according to ASTM-C1812

THS1727 stress corrosion cracking GOST34028

THS1727

Stress corrosion cracking test fixture according to GOST34028

Bending force of steel for reinforced concrete constructions

 

more

THS1907-_EN14224_crack_bridging_ability_bitumen sheets_02

THS1907-S220-EN14224

Special test fixture for determining the crack bridging ability of reinforced bitumen sheets according to EN14224


more

THS2061-100-Am317

Special Test Fixture for Crack Isolation Membranes for thin-set ceramic tile and dimension stone installations
according to ANSI-A118.12
Max. load 100 kN
Steel, nickel coated
Coupling Am317

THS1651-V1-ASTM-C1230

THS1651-V1

 

Special fixture for tension tests on glass-fiber reinforced concrete (GFRC) bonding pads according to ASTM-C1230

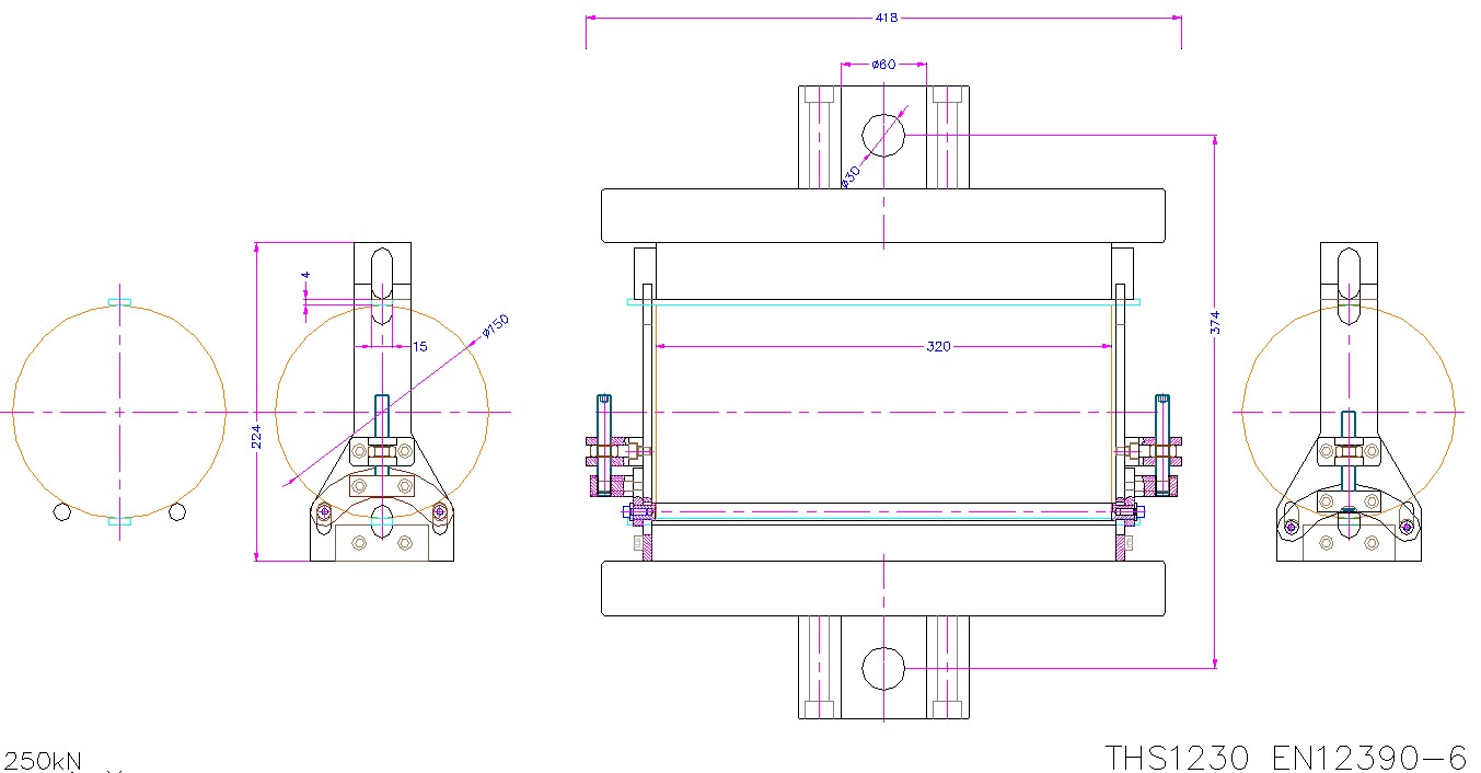
THS1230-D150_EN12390-6_Tensile_splitting_strength_of_hardened_concrete

THS1230-D150-EN12390-6

 

Special test fixture for measuring the splitting strength of hardened concrete according to EN12390-6

info@grip.de

 

LX 13 May 2025

TOP