Grip-Engineering


info@grip.de

GOST Fixtures

Back

 

GOST209

Rubber and glue. Method of determination of metal bond strength at tearing.

THS832-D35 (Test method A)

THS633 (Test method B)

THS1953

GOST262

Rubber. Method for the determination of tear resistance.

THS265-CW

THS265-CHB6x33

THS265-CHV12.7x102 Fig.2

GOST270

Rubber. Method of the determination elastic and tensile stress-strain properties

THS265-CHB3x30 (Type 2)

THS265-CHB4x25 (Type 3)


THS265-CHB6x33 (Type 1)

THS265-CHB2x12.5 (Type 4)

THS265-CHB2x12-6x35 (Type 6)

THS265-CHB6x60 (Type 5)

GOST310.4

Cements. Methods of tests of bending and compression strengths.

TH103-P35-R5

GOST411

Rubber and glue. Methods for determination of metal bond strength at separation

TH95-3

TH95-4

GOST809

Track wood screws. Specifications

THS260-360D50+CV90
+OR10+OR25

GOST1497

Metals-methods of tension test.

TH89-60-4R1.5 (Type III-N8)

THS885-GT50

TH4-48 (Type III 4, 6)

THS1141-V55-E10R3 
(Type III Sample 4)

GOST1608

Filament lamps for ships specifications

THS170

GOST2068

Rubber for electric cables, wires and cords

TH141

GOST4648

Plastics. Method of static bending test.

TH22-360-AX302010

GOST4651

Plastics. Compression test method.

THS717-20

THS265-CHR10x50

GOST6996

Welded joints. Methods of mechanical properties determination

THS260

GOST7912-74

Rubber Plastic Cables Low Temperature Brittleness Tester

THS265-CHR6x45

GOST8694

Tubing. Expansion testing method

THS791

GOST9136 Fig.1

Footwear: bond strength of low heels

TH240g-S100+2Mu

GOST9136 Fig.2

Footwear: bond strength of high and medium heels

THS1380-10

GOST9134 Fig.3

Tensile strength of shoe sole elements

THS470-BP40

THS1378-10

GOST9134 Fig.4

Tensile strength of shoe sole elements

THS1378-20

GOST9134 Fig.5

Tensile strength of nailed shoe sole elements

THS1378-30

GOST9292

Bond strength of shoe soles

TH124-30

GOST9550-B1

Plastics. Test methods for the determination of elasticity modulus at strength, compression and bending.

THS793-GOST9550-81

GOST9718

Footwear. Method for determination of flexibility

TH124-40

GOST10510

Metallic materials - Sheet and strip - Erichsen cupping test

THS145-D27-R10

GOST10635

Particle boards. Methods for determinining of ultimate strength and modulus of elasticity in bendind

THS862-10

GOST10636

Wood particle boards. Method for determination of ultimate tensile strength perpendicular to board face

THS862-20

GOST10637

Wood particle boards. Method for determination of resistivity to nail and wood screw withdrawal

THS862-30

GOST10922

Welded reinforcing products and inserts, welded joints of reinforcement and inserts for reinforced concrete structures. 

THS765 (Type 1, 2)

THS290-41 (Fig. 4)

THS1146-10 (Fig. 5 and 6)

GOST10922-90

Welded reinforcing products and inserts, welded joints of reinforcement and inserts for reinforced concrete structures

THS756-1000

GOST11262

Plastics. Tensile test method

THS265-CHB6x33 Fig.2 (Type 1)
THS265-CHB2x12-6x35 (Type 5B)
THS265-CHB5x30 (Type 1 BA)
THS265-CHB4x25 (Type 5A)
THS265-CHB10x60 (Type 2)
THS265-CHB10x60 (Type 1 B)
THS265-CHB10x80Fig.1 (Type 1A)
THS265-CHR25x250 (Type 3)

GOST11701

Metals. Tensile test methods for thin sheets and strips

THS265-CSB12.5x75-20x175

GOST13518

Plastics. Method for determination of environmental stress-cracking resistance of polyethylene

THS265-CHR13x38 Fig.3

GOST14019

Metallic materials. Bend test method

THS260

GOST14217

Tuft bind strength of carpets

TH124-50

GOST14760

Adhesives. Method of determination of tensile strength.

THS832

GOST15088

Plastics. Method for determination of Vicat softening temperature of thermoplastics

THS265-CHR10x10

GOST16118-70

Cylindrical helical compression (extension) springs made of round steel. Technical requirements

THS1645-F100

GOST16523-97

Rolled sheets from quality and ordinary carbon steel for general purposes. Specifications

THS265-CSB20x80-30x190

GOST17177

Thermal insulating materials and products for building application. Test methods

TH154-10-S100+BN50x100 (Fig.6)

GOST18599

Polyethylene pressure pipes. Specifications

THS1086-15.9-20-70

GOST19109

Plastics. Method for determination of Izod impact strength

THS265-CHR10x80+V2x45  (Sample Type A)

GOST21981

Sealants. Determination method of bond strength with metal at peeling.

THS470

TH227

GOST22372

Dielectric materials. Methods of determination of permittivity and power factor within a frequency range of 100 to 5x10 in 6 degree Hz

THS265-CHC50

GOST22967

Forced draught gas burners. Specifications

THS1180

GOST23409

Briquet tensile testing grip to determine the tensile strength of specially-shaped briquets of mortar, grout, and similar other monolithic surfacing materials

THS474

GOST23785.1

Cord fabric. Method for determination of breaking strength and elongation at rupture

TH76-2-R9

GOST25377

Needles for injections for repeated use. Specifications

THS1180

GOST25.503

Methods of mechanical testing of metals. Method of compression testing

THS­1376-20-D116

GOST25.506-85

Design, calculation and strength testing. Methods of mechanical testing of metals. Determination of fracture toughness characteristics under the static loading

THS353-12.5x25

GOST26185

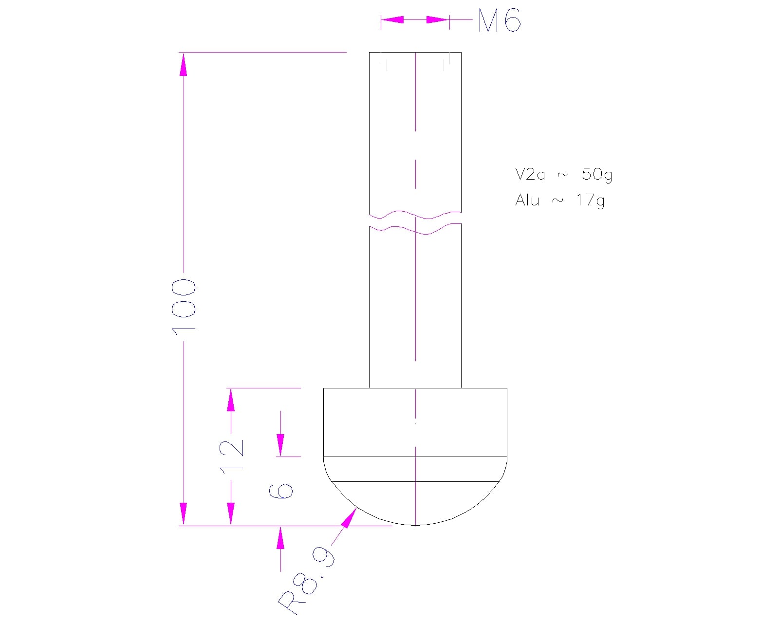
Seaweeds, sea-grasses and its processed products. Methods of physical and chemical analysis

THS1571-R8.9-D16

GOST26246.0

Foil-clad electrical insulating materials for manufacture of printed plates. Test methods.

TH50

GOST26366

Brass-plated steel wire for bead rings of tyres.

THS1390-MLD-2x25-GOST26366-Fig.2+THS1390-MLD-100g+200g

THS1390-MLD-212x12.5-GOST26366-Fig.4

THS706-25-GOST26366-Fig.5

THS1005-20-S9x2-GOST26366-Fig.3

GOST30684

Asbestos and non-asbestos gasket materials. Method of testing of tensile strength

THS265-CHB20x40-30x100

GOST31448

Steel pipes with defensive covering for main gas and oil pipelines. Specifications

THS1186-V3

GOST32299

Paint materials. Pull-off test for adhesion

THS625-40-Af159

GOST32490

Geosynthetics. Index test procedure for the evaluation of mechanical damage under repeated loading

THS223g

GOST32491

Geosynthetics. Tensile test with wide strip.

THS668-200-4scr

GOST32506

Child use and care articles. Soothers for babies and young children. Part 2. Chemical requirements and tests

THS42-F0.2x3V35-D3-L7

GOST32603

Three-layered metal panels with mineral wool insulation. Specifications

THS634-V2

GOST32842

Automobile roads of general use. Bituminous mastics. Test methods

THS474-130-4x40

GOST33519

Polymer composites. Test method for сompression at normal, low and high temperatures

THS1511

GOST34028

Reinforcing rolled products for reinforced concrete constructions. Specifications

THS1727

GOST34250

Plastics. Determination of tensile-impact strength

THS265-CHB3R15-10x60 (Type 4)

THS265-CHB3R10-10x60 (Type 2)

GOST-R52082

Support polymeric outdoor insulators for voltage 6-220 kV.

General specifications. Attachment M – arc resistance.

THS1641-V2

GOST-R52779

Polyethylene fittings for gas pipelines. General specifications

THS1187

GOST56335

Static puncture test on geotextiles

THS174-D150-F50-V1

THS174-D150-F50-V2

GOST-R56336

Automobile roads of general use. Geosynthetics. Index test procedure for evaluation of resistance to repeated loading

THS223g-100x200

THS223g

GOST-R56586

Waterproof polyethylene geomembranes. Specifications.

THS145-D45-F8

GOST-R56800

Polymer composites. Determination of tensile properties of unreinforced and reinforced materials

THS265-CHB3.18x9.53 (Type L5)

THS265-CHB6x33 (Type 4)

THS265-CHB6x57 (Type 2
)

THS265-CHB13x57 (Type1)

THS265-CHB19x57 (Type3)

GOST-R57950

Plastics. Determination of dynamic mechanical properties. Part 10. Complex shear viscosity using a parallel-plate oscillatory rheometer

THS265-CHC25

GOST-R58406.8

Automobile roads of general use. Hot asphalt mixtures and asphalt concrete. Technical conditions

THS1376-50-R50.8

GOST6433.3

Solid electrical insulating materials. Methods for evaluation of electrical strength at a. c. voltage at power (50 Hz) frequency and d. c. voltage

THS265-CHC100

info@grip.de

 

LX 12 Jan 2026

 

TOP