Grip-Engineering

info@grip.de

Batteries

Back

 

TH36T-250-ST+HL86x30+TH154-20-S100+S80-BL24a20-car-battery-test

TH36T-250-St+HL86x30
+
TH154-20-S100+S80-BL24a20
 

Testing tensile properties of car batteries


TH154-20-S100 mechanical vise grip with custom jaws

Jaw opening 0 – 80 mm

TH36t T-slotted platen with special inserts for holding the battery

Inserts: opening 0-150 mm
inner height 86 mm

Steel, nickel-plated

Adapter Af20

THS1402-20-battery-terminal-tensile-test

THS1402

 

Tensile test fixtures to measure the pull-off force of batteries DIN EN50342-5


more

TH240g+THS466-BP5x20

THS466-BP5x20-Af159 + TH240g-Af159

Tensile test on anode and cathode terminals of the LFP batteries
Max. force 700 N
Lower grip TH240g

Upper grip THS466
jaw opening 0-25 mm,
serrated clamping surface 5x20 mm

THS1716 Batteries Friction coefficient Reibungskoeffizient Akku 6,8kg  2021-08-25  01

THS1716

 

Coefficient of friction test fixture for batteries of AA and AAA types

Incl. weights 100 g, 200 g, 500 g

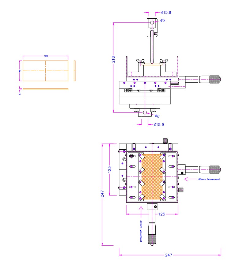
THS1638-V1-Af159-2

THS1638-V1-Af159
 

Puncture test fixture for mobile phone batteries

Includes:

- XY-table with 30 mm movement with sample holder with 8 wing bolts to fix the battery

- 2 interchangeable stainless steel pins 2.5 mm Ø and 6.2 mm Ø

- Stainless steel container to catch splitters 50x140x140 mm (H x W x L)

Steel + Aluminium

Coupling Af159

THS511-Af159_EN14477

THS511


Puncture test fixture 
to measure puncture resistance of separator films for electric vehicle batteries according to DIN EN14477

 

more

info@grip.de

 

LX 23 Apr 2024

TOP