Grip-Engineering

 

info@grip.de

Zippers and buttons

 

Back

 

THS323

 

Strength test fixture to test

pull tab twist strength of zippers

according to ASTM-D2061

 

more


THS323-20

 

Special fixture to test zippers
according to DIN3419-1


more

THS323-130-ASTM-D2062_2,9kg_zippers _A7_04

THS323-130

Special fixture to test operability of zippers according to ASTM-D2062

more

THS1042-30 + THS807-d6  2kg  26-09-2019

THS807-S25 + THS1042-30

Chuck grip for round samples like e.g. buttons,bottle caps, etc.

 

Centric movement, adjustable sample holder

 
more

THS1042-10-Exx(E3,E5, E7)+TH240k+BP25+BP50-Am16_DIN_CENTR-16792_0.8kg_Button_pull-off_test_01

THS1042-10-Exx(E3,E5, E7)
+
TH240k+BP25+BP50-Am16

 

Special button pull-off fixture according to DIN_CENTR-16792, EN17394-2


more

THS1042-10-Exx(E3,E5, E7)+TH240k+BP25+BP50-Am16_THS1042-30+THS807-20-d6_DIN_CENTR-16792_0.8+1.5kg_Button_pull-off_test

THS1042-10-Exx(E3,E5, E7)
+
TH240k+BP25+BP50-Am16
+
THS1042-30+THS807-S25

 

Button pull-off test fixtures according to DIN CENTR 16792, EN17394-2

THS323-50-Af159-BS3084-Annex-E_Slide_fasteners_(Zips)_strength_test

THS323-50-Af159-BS3084-Annex-E

 

Strength test fixture for slide fasteners according to BS3084 Annex E

THS323-140-V1+TH36T-250-AL_EN16732-Annex-K_ASTM-D2061-Fig18_zipper_torque_test

THS323-140-V1+TH36T-250-AL

Strength test fixture for zippers
according to EN16732-Annex K
ASTM-D2061-Fig18

See more info for
EN16732 

See more info for ASTM-D2061-Fig18

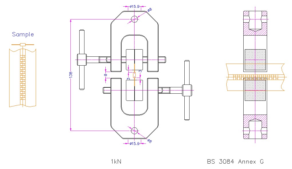
TH240k+BP25.4-Af159-BS3084-Annex-G_Slide_fasteners_(Zips)_lateral_strength_test

TH240k+BP25.4-Af159-BS3084-Annex-G

 

Lateral strength test fixture for fasteners according to BS3084 Annex G

info@grip.de

 

LX 23 Sep 2025

TOP