Grip-Engineering

info@grip.de



Back

 

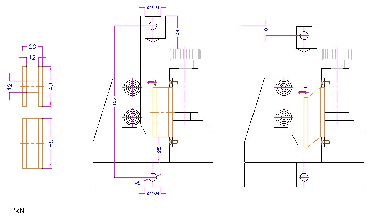
THS674-V4-Af30122-THS674-V4-DIN EN14024-Fig.5-shear-metal_profiles_13.8kg_01

THS674-V4-DIN EN14024-Fig.5

 

Test fixture to determine shear strength and elasticity constant of metal profiles with thermal barrier according to
DIN EN14024 Fig. 5

 

more

THS674-3-shear-wood

THS674

 

Shear test of big wooden samples

according to EN789

THS674-V1-2

Special shear test fixture

according to ISO16572-Fig C.1,
EN789-Fig.6

Capacity 50 kN

Steel, nickel-coated

THS674-V7-EN28339_sealants_tensile_properties_test

THS674-V7-EN28339

 

Tensile shear test fixture for testing sealants for construction purposes according to EN28339

info@grip.de

 

LX 21 Oct 2025

TOP