Grip-Engineering

info@grip.de



Back

 

THS1340-Am317_ASTM-B769_3.8kg_Amsler_Shear_Tool_for_aluminum_01

THS1340-ASTM-B769

 

Amsler shear test fixture for double-shear testing of aluminum alloys according to ASTM-B769

more

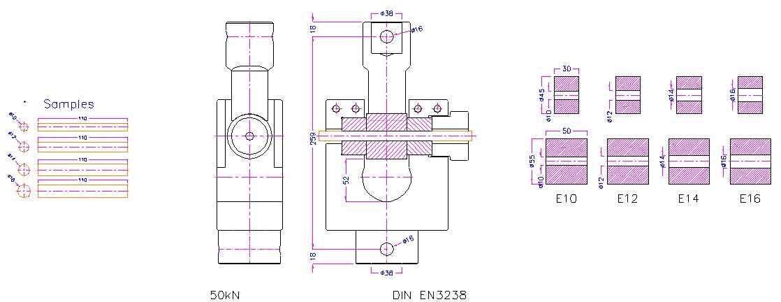
THS1340-EN3238-V2-Af3816_aerospace_metallic_wires_rivets_shear_test

THS1340-EN3238-V2-Af3816

Shear test for wires and rivets

according to EN3238
Coupling Af3816

info@grip.de

 

LX 09 Jan 2026

TOP